dblock维修电器原理图说明书手册

dblock维修电器原理图说明书手册新质力文库 - 聚焦新质生产力发展的数字化知识库_行业洞察 / 理论成果 / 实践指南免费下载新质力文库
dblock维修电器原理图说明书手册
此内容为付费资源,请付费后查看
1619
立即购买
您当前未登录!建议登陆后购买,可保存购买订单
付费资源

第1页 / 共1页
已完成全部阅读,共1
THE END
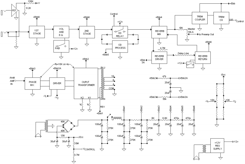
+EbbCortrol+E+5+奖4TREMTREMCOUPLER+12OXcnVControl15TVOLAND2NDREVERBSTAGESTAGE-00001M-AEQ.MIXRELAYto Preamp Out0ODPA412VPROCESSREVER阳REVERB+E2+Ebb+DRIVERRETURNRr-10K on 49-3A+12voo+E3+Ebb2ABLUPR+E0b2APPHASEOUPUTN20uF,DRIVERTRANSFORMERCOM20uF2K1+Etb3←(+8b34410匹10K-2b>REV+日t168K470a470a48100f100f100F20uFL20uF20F20F270K270K270K4-Ecc100f100f100Ff30uF270K270K270K30uF+1210M+12VREGk-VCONTROLSUPPLY4.7M
喜欢就支持一下吧
评论 抢沙发

请登录后发表评论

    请登录后查看评论内容