

第1页 / 共8页
试读已结束,还剩7页,您可下载完整版后进行离线阅读
THE END
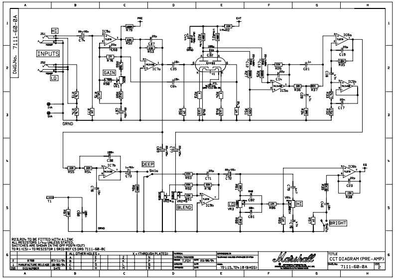
GW889-11125INPUTS2C35GAIN跑3GRNDC38ICTDEEPRSLR93需C2325BLENDHI3么BRIGHTR25R24 T0 BE FITTED HITH A LINKNLESS STATED.TO R1 (CS).TO RESISTOR I GRID REF C5 DRG 7111-68-8C6L口1HIE5TILE7/1T./5/CCT DIAGRAM (PRE-AMP)72115.72100AS5)7111-6B-8A
请登录后查看评论内容