

第1页 / 共17页

第2页 / 共17页
试读已结束,还剩15页,您可下载完整版后进行离线阅读
THE END
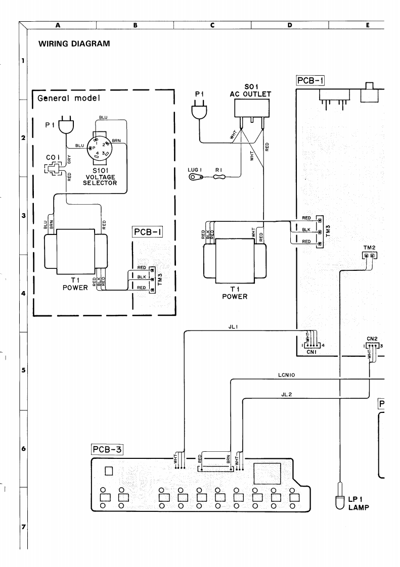
The Harman KardonModel Citation 23Manual 114BDIGITAL SYNTHESIZED QUARTZ-LOCK TUNERTechnical Manual带好诺总88SUPPLEMENTARY MANUAL 1MODIFICATIONS WERE MADE AT SERIAL NUMBER S103-01001,S103-05801 AND S103-06251 TOIMPROVE PERFORMANCE.EXCEPT FOR THE CHANGES AS NOTED IN THIS SUPPLEMENT,REFERTO MANUAL 114A FOR ALL OTHER PARTS AND SERVICE INFORMATION.The following marks found in the parts list of this manual identifythe models as follows.North America area modelGeneral modelJapan modelharman/kardon240 Crossways Park West,Woodbury.N.Y.117971112-3152114B8P-0890101500 Printed in Japan
请登录后查看评论内容