

第1页 / 共136页
试读已结束,还剩135页,您可下载完整版后进行离线阅读
THE END
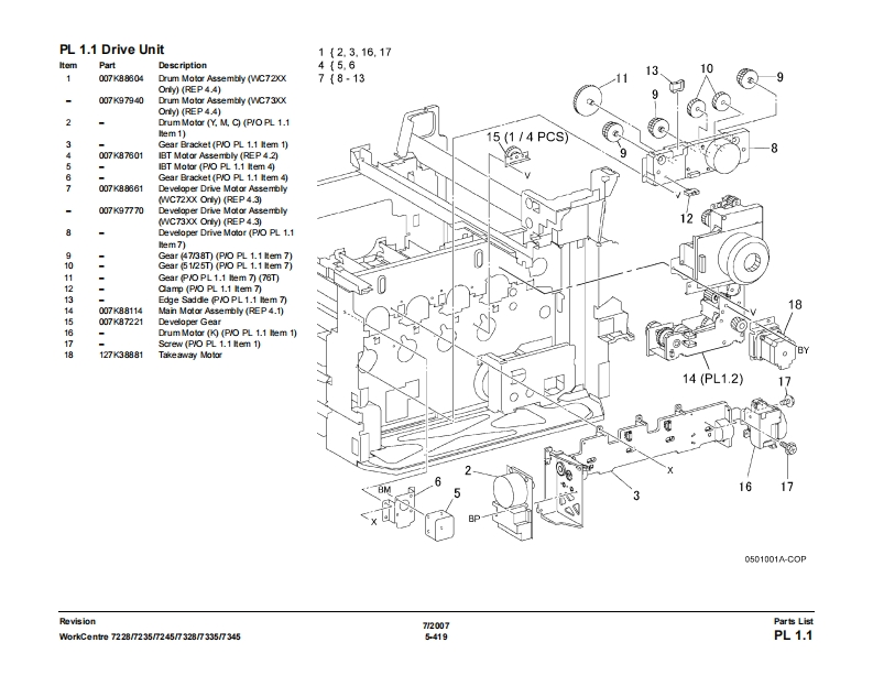
PL 1.1 Drive Unit1{2.3.16.17PartDescription4{5.61310007K88604Drum Motor Assembly (WC727{8.13119Ony)(REP 4.4)9007K97940Drum Motor Assembly (WC73Only)(REP 4.4)2Drum Motor (Y.M.C)(P/O PL 1.1hem1)15(1/4PCS)3Gear Bracket (PNO PL 1.1 ltem 1)8007K87801BT Motor Ass绘oy(REP42召95BTMa灯POPL1.1Iem与6Gear Bracket (P/O PL 1.1 lem 4)7007K88661Developer Drive Motor Assembly(WC72XX Only)(REP 4.3)007K97770Developer Drive Motor Assemblyc730Ot)REP43Developer Drive Motor (PNO PL 1.1hem7)9Gear (7/38T)(PO PL 1.1 Hem 7)Gear (51/25T)(PAO PL 1.1 lem 7)11Gear (P0PL1.1hem7万78dCamp (PAO PL 1.1 lem 7)1Edge Sadde (P/O PL1.1 lem 7)1007K88114Man Motor Assembly (REP 4.1)18007K87221Developer Gear16Drum Motor (K)(PAO PL 1.1 hem 1)17Serew (PO PL 1.1 lem 1)18127K38981Tke3Ny的灯14(PL1.2)16170501001A-C0pRevision72007Parts ListVorkCentre7228723572457328733573455.419PL1.1
请登录后查看评论内容