

第1页 / 共5页

第2页 / 共5页
试读已结束,还剩3页,您可下载完整版后进行离线阅读
© 版权声明
文章版权归作者所有,未经允许请勿转载。
THE END
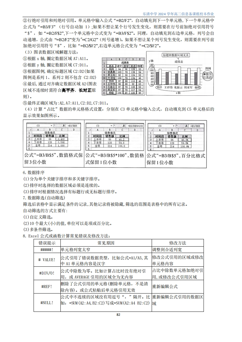
课后练习答案:1-6 CBDCDD乐清中学2024学年高二信息备课组校本作业第四章数据处理与应用1数据整理与计算【课时目标】1.学会根据实际需求,对表格数据进行简单整理、计算。2.学会使用数据排序功能,把数据变为有序。3.学会使用数据筛选功能,筛选出符合要求的数据。【知识梳理】1.数据整理的目的数据整理的日的是检测和修正错漏的数据、整合数据资源、规整数据格式、提高数据质量。2.常见的数据问题数据缺失、数据重复、数据异常、逻辑错误、格式不一致等。数据问愿处理方法数据缺失①忽略含有缺失值的实例或属性②采用平均值、中间值或概率统计值来填充缺失值数据重复可以通过COUNTIF、“条件格式”和排序功能查找,在审核后进行合并或副除等处理数据异常指数据集中不符合一般规律的数据对象,它可能是要去掉的噪声,也可能是含有重要信德的数据对象数据集中的属性值与实际值不符,或违背业务规则或逻辑。可通过“数据验证”功逻辑错误能检查可通过数据转换形成一个合适的形式。数据转换通常包括属性数据类型的转换、根格式不一致据己有属性集构造新属性的转换、将不同来源的相同属性的定义及其值进行统一标准化表达的转换等3.常用表格数据处理和统计分析工具有Excel、SPSS、SAS、MATLAB等软件,也可以通过Python、Java等计算机语言编程进行数据处理。4.数据计算:数据计算是数据处理的常用方法之一。在Exce1软件中,有自定义公式和函数两种方式。(1)函数Excl常用的函数有SUM(数据区域)、AVERAGE(数据区域)、MAX(数据区域)、MN(数据区域)等。多个不连续区域中间用逗号分隔,比如“=SUM(B2:D2,F2)”。=SUM(数据区域)#求和,例如:=SUM(D2:5,G2:H5)=AVERAGE(数据区域)#求平均值,例如:=AVERAGE(D2:D12,G2:G12)=MN(数据区域)#求指定区域的最小值,例如:=MN(D2:G12)=MAX(数据区域)#求指定区域的最大值,例如:=MAXD2:G12)【注意】函数的使用与方法:①编辑的公式引用的空白单元格,空白单元格当作0处理。比如公式“=A2/B2”,如果2为空白单元格,此时除数为0,会出现“DIV/0!”错误提示。而函数计算时会自动忽略非数字类型单元格和空白单元格。②Excel中的函数不区分大小写,这点和Python程序不一样.(2)Excel公式的编辑必须以等号“=”开头,乘号为“*”,除号为“/”,括号为“()”。乘号不能省略,不能用中括号“[门”。比如公式“=(A2+B2)2)-5”,不能写成“=[(A2+B2)2]5”。如果单元格格式被设置成“文本”,输入公式会无效(被当作文本字符)。①公式相对引用:在单元格C2中输入公式“=A2*5+B2”,将C2中内容复制粘贴到E3单元格后,公式会自动变成“=C3*5+D3”。因为单元格E3相对C2增加2列和1行。公式中的行号和列号会分别自动增2和增1,即“=A2*5+B2”变成“-=C3*5+D3”。81
暂无评论内容