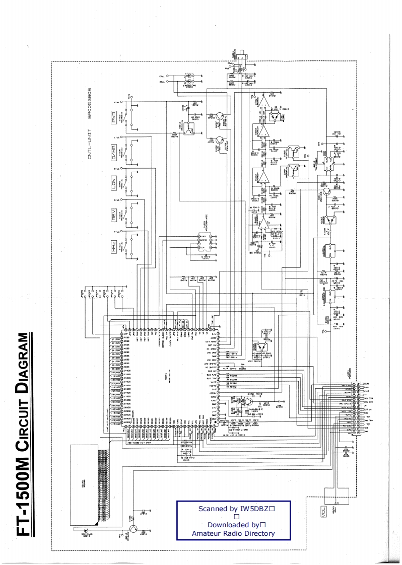
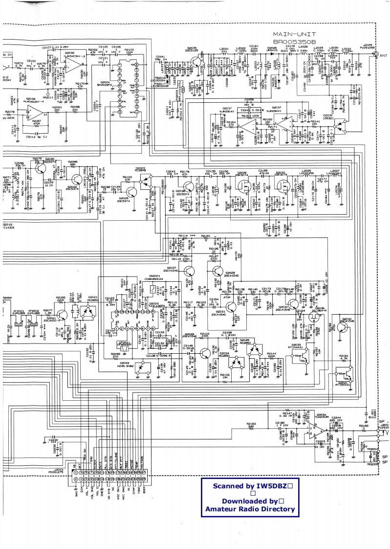
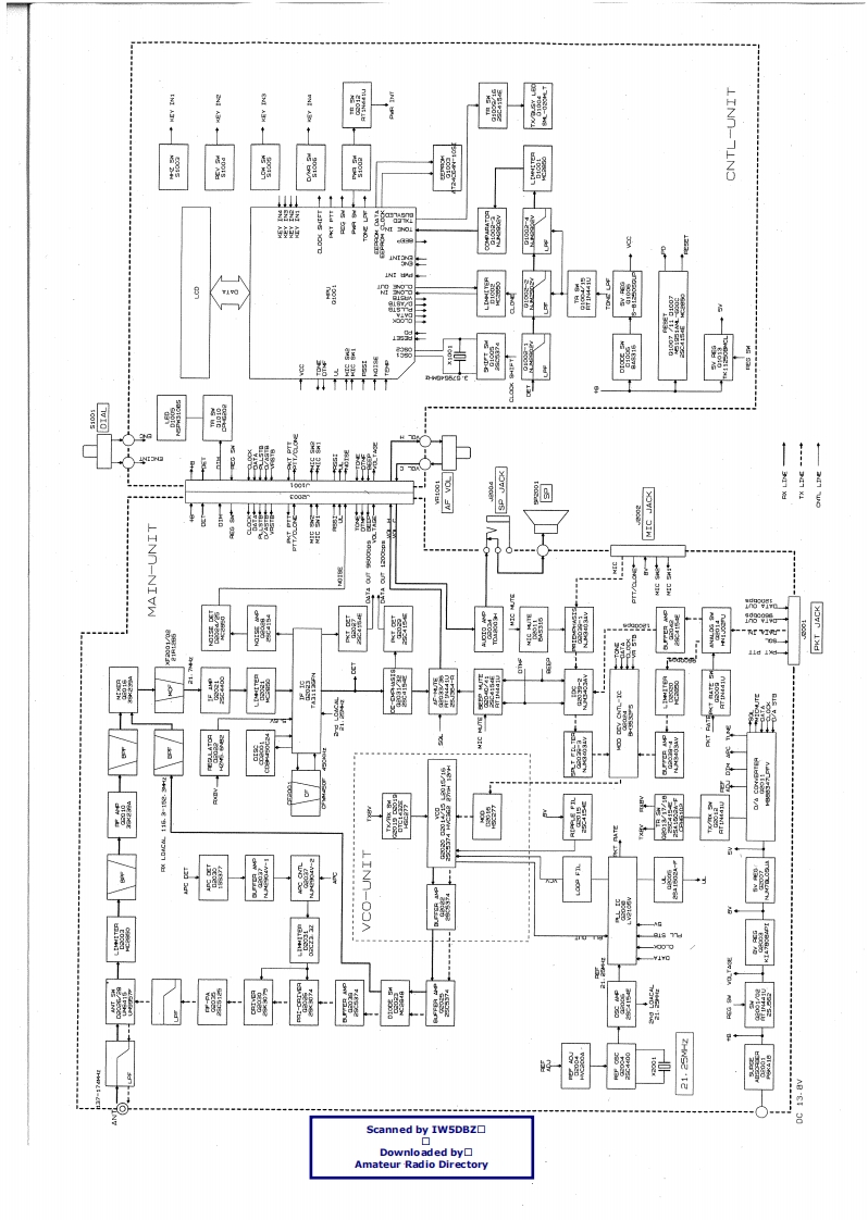
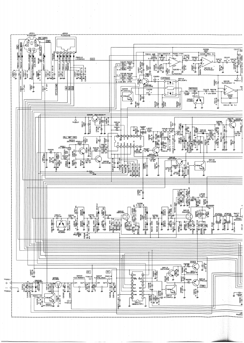
FT-1500M_电器原理图找手册网33天前发布关注私信2.82MB8页027FT-1500M_电器原理图此内容为付费资源,请付费后查看¥19¥21黄金会员免费钻石会员免费登录购买付费资源 第1页 / 共8页 第2页 / 共8页 第3页 / 共8页 第4页 / 共8页 第5页 / 共8页 试读已结束,还剩3页,您可下载完整版后进行离线阅读 THE END八重洲 文本预览 gggScanned by IW5DBZ□口Downloaded by▣Amateur Radio Directory 查看更多 收起部分 喜欢就支持一下吧收藏
请登录后查看评论内容