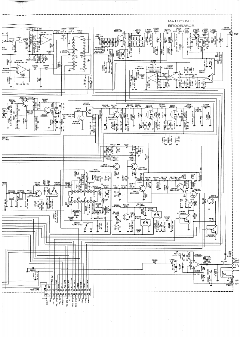
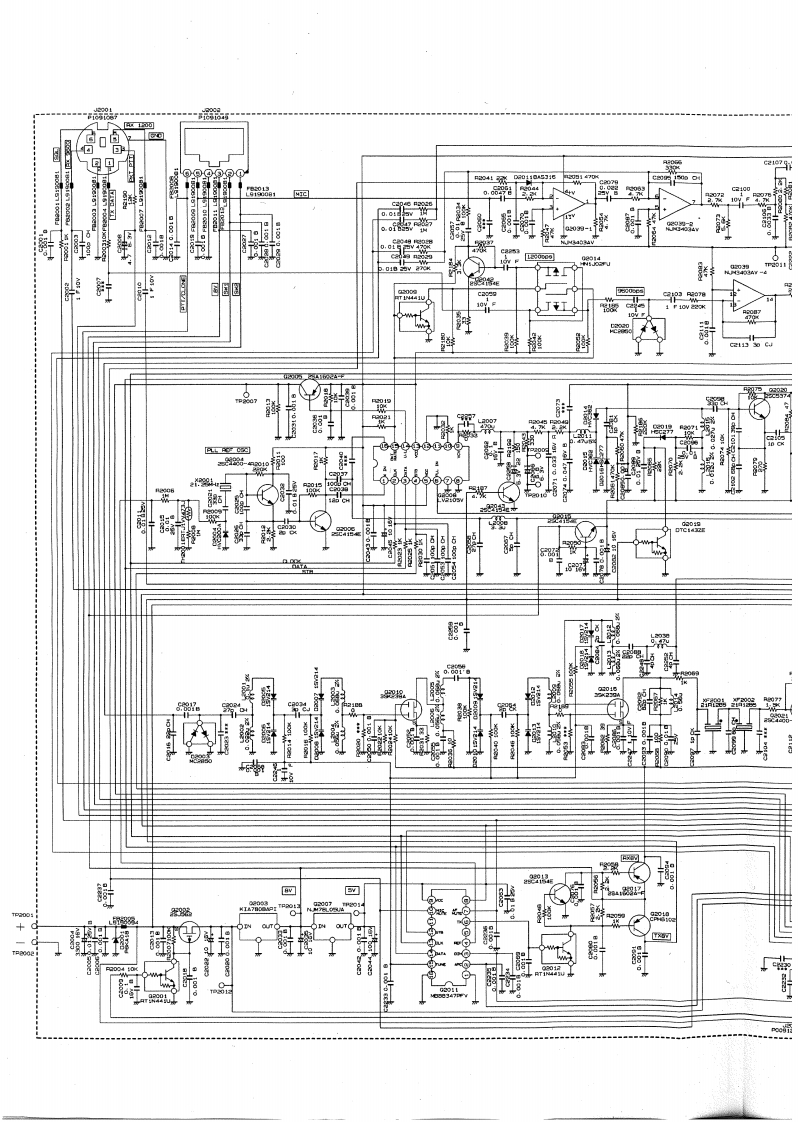
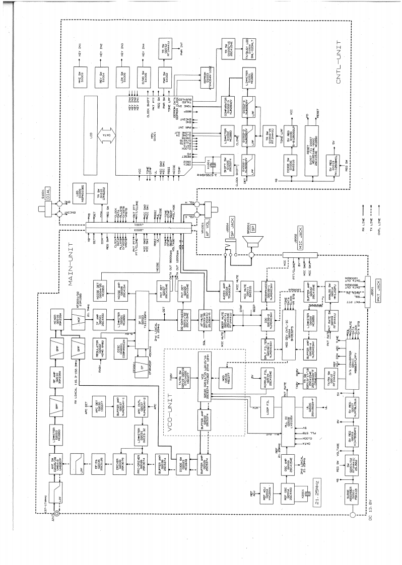
FT-1500M电器原理图找手册网33天前发布关注私信1.08MB4页027FT-1500M电器原理图此内容为付费资源,请付费后查看¥19¥21黄金会员免费钻石会员免费登录购买付费资源 第1页 / 共4页 第2页 / 共4页 第3页 / 共4页 第4页 / 共4页 已完成全部阅读,共4页 THE END八重洲 喜欢就支持一下吧收藏
请登录后查看评论内容