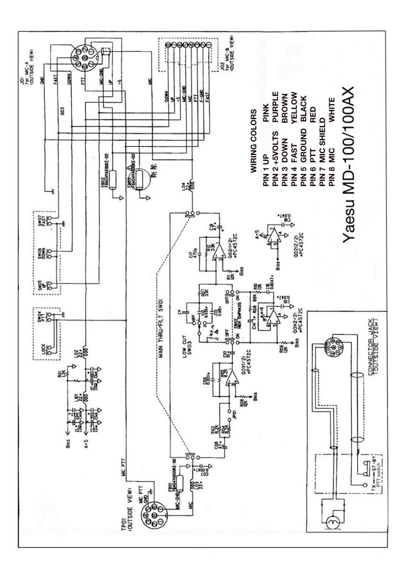
八重洲Yaesu_MD-100_AX_电器原理图找手册网33天前发布关注私信0.30MB1页023八重洲Yaesu_MD-100_AX_电器原理图此内容为付费资源,请付费后查看¥19¥21黄金会员免费钻石会员免费登录购买付费资源 第1页 / 共1页 已完成全部阅读,共1页 THE END八重洲 文本预览 MO33LIHM0O-300ANMOO NId88暖88时2的88IOMS 1nHL NIVW8中3 查看更多 收起部分 喜欢就支持一下吧收藏
请登录后查看评论内容