

第1页 / 共8页

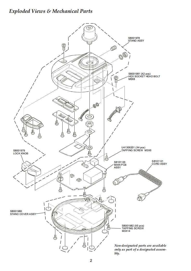
第2页 / 共8页

第3页 / 共8页

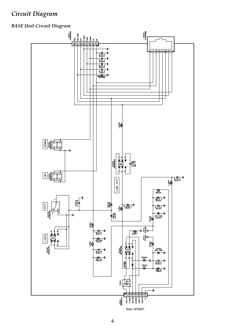
第4页 / 共8页

第5页 / 共8页
试读已结束,还剩3页,您可下载完整版后进行离线阅读
THE END
YAESUVEVEX STANDARD COTVERTEX STANDARDDESKTOP DYNAMIC MICROPHONEYAESU EUROPE B.VP.O.Bax 75525,1118 ZN Schiphol The Nethe dandsMD-200A8xYAESU UK LTD.502Technical SupplementVERTEX STANDARD HK LTD.Unt 5,20/F Seaview Centre,139-141 Hoi Bun Road,Kwun Tong.Kowbon,Hong Kong2001 VERTEX STANDARD CO.,LTD.Printed in Japan.IntroductionThe MD-200A8x Desktop Microphone is designed for base station op-eration with the latest generation of Yaesu HF transceivers,includ-ing those with VHF/UHF capability.Designed especially for ultra-low distortion and the highest fidelity,the MD-200A8x includes a new-technology "Variable Side Pressure Control"(VSPC),which allowsprecise adjustment of the microphone's audio response without re-0000000sorting to"active"equalization circuits that can introduce distortionand/or degrade signal-to-noise ratio.Servicing this equipment requires expertise in handling surface mountchip components.Attempts by unqualified persons to service thisequipment may result in permanent damage not covered by war-ranty.While we believe the technical information in this manual is correct,VERTEX STANDARD assumes no liability for damage that may oc-cur as a result of typographical or other errors that may be present.Your cooperation in pointing out any inconsistencies in the technicalinformation would be appreciated.VERTEX STANDARD reserves the right to make changes in this trans-ceiver and the alignment procedures,in the interest of technologicalimprovement,without notification of owners.SpecificationsMicrophone Element Type:DynamicFrequency Range:30-17000HzSensitivity:-62 dB (1 kHz,0 dB =1 V/1 pa)Impedance:600 OhmsDimensions(WHD):4.7"x114"x4.9(120x290.5x124.5mm)Weight:Approx.2.2 1b.(1 kg.)Specifications are subject to change without notice or obligation.
请登录后查看评论内容