

第1页 / 共79页

第2页 / 共79页

第3页 / 共79页

第4页 / 共79页

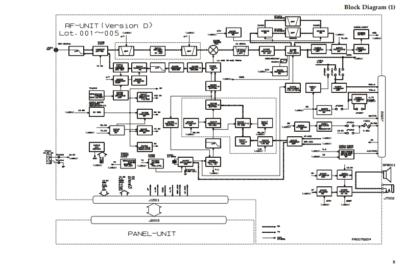
第5页 / 共79页
试读已结束,还剩74页,您可下载完整版后进行离线阅读
THE END
Vertex StandardVERTEX STANDARD CO.,LTD.4-8-8 Nakameguro,Meguro-Ku,Tokyo 153-8644,JapanVERTEX STANDARDUHF FM Transceiverrret CypresCA0..SYAESU EUROPE B.V.VX-2500UP.O.Box 75525,1118 ZN Schiphol,The NetherlandsYAESU UK LTD.Unit 12,Sun Valley Business Park,Winnall CloseService ManualWinchester,Hampshire,SO23 OLB,U.K.VERTEX STANDARD HK LTD.Unit 5,20/F.,Seaview Centre,139-141 Hoi Bun Road,2004 VERTEX STANDARD CO.,LTD.Kwun Tong,Kowloon,Hong KongVertex StandardEU3 Low PRG…出ERTEX…0A可△P1门P2P3P4IntroductionThis manual provides technical information necessary for servicing the VX-2500U Transceiver.Servicing this equipment requires expertise in handling surface-mount chip components.Attempts by non-qualifiedpersons to service this equipment may result in permanent damage not covered by the warranty,and may be illegal insome countries.Two PCB layout diagrams are provided for each double-sided circuit board in the transceiver.Each side of thr board isreferred to by the type of the majority of components installed on that side("leaded"or"chip-only").In most cases oneside has only chip components,and the other has either a mixture of both chip and leaded components(trimmers,coils,electrolytic capacitors,ICs,etc.),or leaded components only.While we believe the technical information in this manual to be correct,Vertex Standard assumes no liability for dam-age that may occur as a result of typographical or other errors that may be present.Your cooperation in pointing out anyinconsistencies in the technical information would be appreciated.ContentsSpecifications2Alignment13DSUB 9-pin Accessory Connector ....3RF Unit Jumper Information................23Exploded View Miscellaneous Parts .........4Block Diagram..5Board Unit(Schematics,Layouts Parts)Interconnection Diagram9RF Unit.......25Circuit Description..11RF-1-Unit ...43RF-2-Unit5Panel
请登录后查看评论内容