

第1页 / 共41页

第2页 / 共41页

第3页 / 共41页

第4页 / 共41页

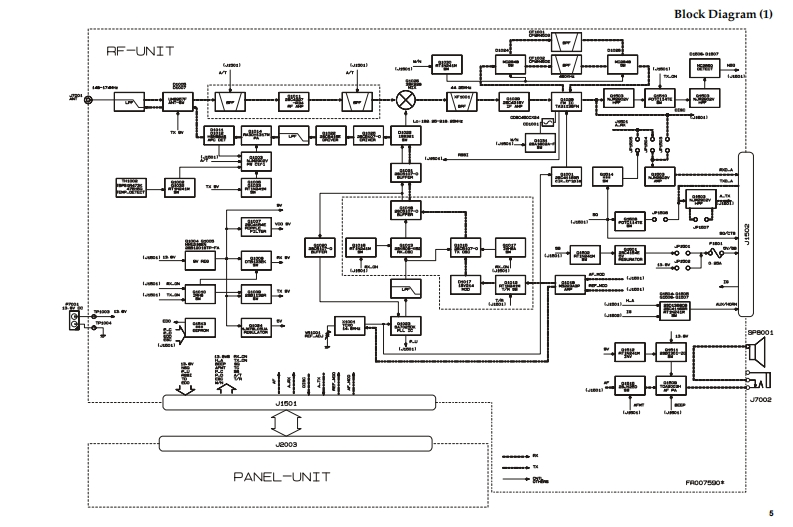
第5页 / 共41页
试读已结束,还剩36页,您可下载完整版后进行离线阅读
THE END
Vertex StandardVERTEX STANDARD CO.,LTD.4-8-8 Nakameguro,Meguro-Ku,Tokyo 153-8644,JapanVERTEX STANDARDUS HeadquartersVHF FM Transceiver10900 Walker Street,Cypress,CA90630,U.S.AIntemational Division8350 N.W.52nd Terrace,Suite 201,Miami,FL33166,U.S.A.VX-2500VYAESU EUROPE B.V.P.O.Box 75525,1118 ZN Schiphol,The NetherlandsYAESU UK LTD.Service ManualUnit 12,Sun Valley Business Park,Winnall CloseWinchester,Hampshire,S023 0LB,U.K.VERTEX STANDARD HK LTD.2003 VERTEX STANDARD CO.,LTD.(EC031N90A)Unit5.20v.Seaview Centre,139-141 Hoi Bun Road,Kwun Tong,Kowloon,Hong KongVertex Standard风EB Low PRG8…出CRTEX…0△P1P20P30P4IntroductionThis manual provides technical information necessary for servicing the VX-2500V Transceiver.Servicing this equipment requires expertise in handling surface-mount chip components.Attempts by non-qualifiedpersons to service this equipment may result in permanent damage not covered by the warranty,and may be illegal insome countries.Two PCB layout diagrams are provided for each double-sided circuit board in the transceiver.Each side of thr board isreferred to by the type of the majority of components installed on that side("leaded"or "chip-only").In most cases oneside has only chip components,and the other has either a mixture of both chip and leaded components(trimmers,coils,electrolytic capacitors,ICs,etc.),or leaded components only.While we believe the technical information in this manual to be correct,Vertex Standard assumes no liability for damagethat may occur as a result of typographical or other errors that may be present.Your cooperation in pointing out anyinconsistencies in the technical information would be appreciated.ContentsSpecifications....…2Alignment…11DSUB 9-pin Accessory Connector ............3RF Unit Jumper Information...............16Exploded View Miscellaneous Parts .......4Board Unit(Schematics,Layouts Parts)Block Diagram..........5Interconnection Diagram ................7Panel Unit....31Circuit Description…9
请登录后查看评论内容