

第1页 / 共61页

第2页 / 共61页

第3页 / 共61页

第4页 / 共61页

第5页 / 共61页

第6页 / 共61页

第7页 / 共61页

第8页 / 共61页

第9页 / 共61页

第10页 / 共61页
试读已结束,还剩51页,您可下载完整版后进行离线阅读
THE END
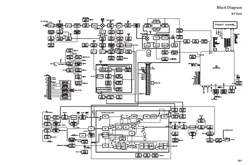
Vertex StandardVERTEX STANDARD CO.,LTD.4-8-8 Nakameguro,Meguro-Ku,Tokyo 153-8644,JapanVERTEX STANDARDUHF FM TransceiverUS Headquarters10900 Walker Street,Cypress,CA 90630,U.S.A.VX-4200 SeriesYAESU EUROPE B.V.P.O.Box 75525,1118 ZN Schiphol,The NetherlandsVX-4100 SeriesYAESU UK LTD.Unit 12,Sun Valley Business Park,Winnall CloseWinchester,Hampshire,S023 OLB,U.K.Service ManualVERTEX STANDARD HK LTD.Unit 5,20/F.,Seaview Centre,139-141 Hoi Bun Road,Kwun Tong,Kowloon,Hong KongC2004 VERTEX STANDARD CO.,LTD.EC035U90BP回回同回LERTEX-VX-4100 SeriesVX-4200 SeriesIntroductionThis manual provides the technical information necessary for servicing the VX-4200/-4100 Series Mobile Transceiver.Servicing this equipment requires expertise in handing surface-mount chip components.Attempts by non-qualifiedpersons to service this equipment may result in permanent damage not covered by the warranty,and may be illegal insome countries.Two PCB layout diagrams are provided for each double-sided board in this transceiver.Each side of the board isreferred to by the type of the majority of components installed on that side ("Side A"or "Side B").In most cases oneside has only chip components(surface-mount devices),and the other has either a mixture of both chip and leadedcomponents(trimmers,coils,electrolytic capacitors,ICs,etc.),or leaded components only.As described in the pages to follow,the advanced microprocessor design of the VX-4200/-4100 allows a completealignment of this transceiver to be performed without opening the case of the radio;all adjustments can be performedfrom the personal computer,using with the Vertex Standard VPL-1 Programming Cable and CE59 Software.While we believe the information in this manual to be correct,Vertex Standard assumes no liability for damage thatmay occur as a result of typographical or other errors that may be present.Your cooperation in pointing out anyinconsistencies in the technical information would be appreciated.ContentsSpecificationsA-1Board Units (Schematics,Layouts Parts)DSUB 15-pin Accessory Connector.............B-1RP Uhit.H-1Exploded View Miscellaneous Parts ............C-1FRONT-C Unit (VX-4100).I-1Block Diagram.….D-1FRONT-D Unit (VX-4200)..J-1Circuit Description..E-1Optional Units(Schematics,Layouts Parts)Alignment....……F-1FVP-25 Encryption/DTMF Pager Unit.........K-1Installation of Option...G-1DVS-5 Voice Storage Unit...L-1VTP-50 VX-Trunk Unit.........m.M-1
请登录后查看评论内容