

第1页 / 共28页

第2页 / 共28页

第3页 / 共28页

第4页 / 共28页

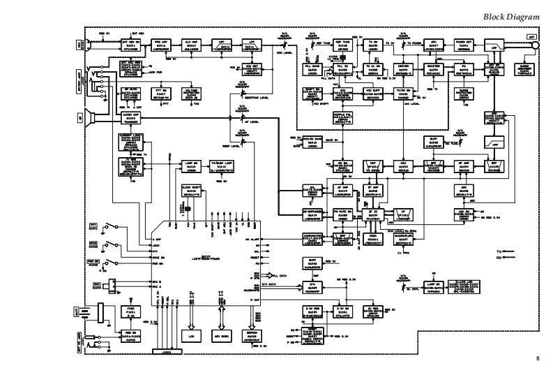
第5页 / 共28页

第6页 / 共28页

第7页 / 共28页

第8页 / 共28页

第9页 / 共28页

第10页 / 共28页
试读已结束,还剩18页,您可下载完整版后进行离线阅读
THE END
Vertex StandardVERTEX STANDARD CO.,LTD.4-8-8 Nakameguro,Meguro-Ku,Tokyo 153-8644,JapanVERTEX STANDARDAir Band Transceiveret.Cypres.U.YAESU EUROPE B.V.P.O.Box 75525,1118 ZN Schiphol,The NetherlandsVXA-220YAESU UK LTD.WmhNamgsreCoseVERTEX STANDARD HK LTD.Service ManualUnit 5,20/F.,Seaview Centre,139-141 Hoi Bun Road,Kwun Tong,Kowloon,Hong KongVERTEX STANDARD(AUSTRALIA)PTY.,LTD.2006 VERTEX STANDARD CO.,LTD.(EC072N90A)Normanby Business Park,Unit 14/45 Normanby RoadNotting Hill 3168,Victoria,AustraliaIntroductionThis manual provides technical information necessary for servicing the VXA-220 Air Band Transceiver.Servicing this equipment requires expertise in handling surface-mount chipcomponents.Attempts by non-qualified persons to service this equipment mayresult in permanent damage not covered by the warranty,and may be illegalin some countries.Two PCB layout diagrams are provided for each double-sided circuit board inthe transceiver.Each side of thr board is referred to by the type of the majority28of components installed on that side("leaded"or"chip-only").In most casesANone side has only chip components,and the other has either a mixture of bothVOxVXA-220chip and leaded components(trimmers,coils,electrolytic capacitors,ICs,etc.),or leaded components only.While we believe the technical information in this manual to be correct,Vertex9Standard assumes no liability for damage that may occur as a result of typo-graphical or other errors that may be present.Your cooperation in pointingout any inconsistencies in the technical information would be appreciated.Important NoteThis transceiver was assembled using Pb(lead)free solder,based on the RoHS specification.Only lead-free solder(Alloy Composition:Sn-3.0Ag-0.5Cu)should be used for repairs performed on thisapparatus.The solder stated above utilizes the alloy composition required for compliance with the lead-freespecification,and any solder with the above alloy composition may be used.ContentsSpecifications........2Exploded View Miscellaneous Parts.3Block Diagram...5Circuit Description.........7Alignment..MAIN Unit Circuit Diagram.13MAIN Unit Parts Layout ......15MAIN Unit Parts List.........17
请登录后查看评论内容