

第1页 / 共98页

第2页 / 共98页

第3页 / 共98页

第4页 / 共98页

第5页 / 共98页

第6页 / 共98页

第7页 / 共98页

第8页 / 共98页

第9页 / 共98页

第10页 / 共98页
试读已结束,还剩88页,您可下载完整版后进行离线阅读
THE END
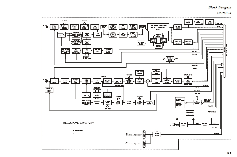
Vertex StandardVERTEX STANDARD CO.,LTD.4-8-8 Nakameguro,Meguro-Ku,Tokyo 153-8644,JapanVERTEX STANDARDRack Mount RepeaterUS Headquarters10900 Walker Street,Cypress,CA90630,U.S.A.YAESU EUROPE B.V.VXR-9000(VHF)P.O.Box 75525,1118 ZN Schiphol,The NetherlandsYAESU UK LTD.Unit 12,Sun Valley Business Park,Winnall CloseService ManualWinchester,Hampshire,SO23 OLB,U.K.VERTEX STANDARD HK LTD.Unit 5,20/F.,Seaview Centre,139-141 Hoi Bun Road,Kwun Tong,Kowloon,Hong Kong2006 VERTEX STANDARD CO.,LTD.EC044N90BIntroductionThis manual provides the technical information necessary for servicing the VXR-9000 Rack Mount Repeater.Servicing this equipment requires expertise in handing surface-mount chip components.Attempts by non-qualifiedpersons to service this equipment may result in permanent damage not covered by the warranty,and may be illegalin some countries.Two PCB layout diagrams are provided for each double-sided board in this transceiver.Each side of the board isreferred to by the type of the majority of components installed on that side("Side A"or"Side B").In most cases oneside has only chip components(surface-mount devices),and the other has either a mixture of both chip and leadedcomponents(trimmers,coils,electrolytic capacitors,ICs,etc.),or leaded components only.As described in the pages to follow,the advanced microprocessor design of the VXR-9000 allows a complete align-ment of this transceiver to be performed without opening the case of the radio;all adjustments can be performed fromthe personal computer,using with the Vertex Standard VPL-1 Programming Cable and CE60 Software.While we believe the information in this manual to be correct,Vertex Standard assumes no liability for damage thatmay occur as a result of typographical or other errors that may be present.Your cooperation in pointing out anyinconsistencies in the technical information would be appreciated.ContentsSpecificationsA-1Board Units(Schematics,Layouts Parts)DSUB 25-pin Accessory Connector.B-1MAIN Unit.H-1Exploded View Miscellaneous Parts ........C-1CNTL UnitI-1Block Diagram…PANEL Unit...J-1PA Uhit<-1Connection Diagram.......…E-1PA-2 UnitL-1Circuit Description.....F-1REG Unit .........M-1Alignment……G-1100 W PA Unit(Option:Version C)N-1RELA Y Unit (Option)........0-1
请登录后查看评论内容