Alinco_DR-1200T_维修维护电器原理图手册

Alinco_DR-1200T_维修维护电器原理图手册-找手册网
Alinco_DR-1200T_维修维护电器原理图手册
此内容为付费资源,请付费后查看
1921
立即购买
您当前未登录!建议登陆后购买,可保存购买订单
付费资源

第1页 / 共18页

第2页 / 共18页

第3页 / 共18页

第4页 / 共18页

第5页 / 共18页

第6页 / 共18页

第7页 / 共18页

第8页 / 共18页

第9页 / 共18页

第10页 / 共18页
试读已结束,还剩8页,您可下载完整版后进行离线阅读
THE END
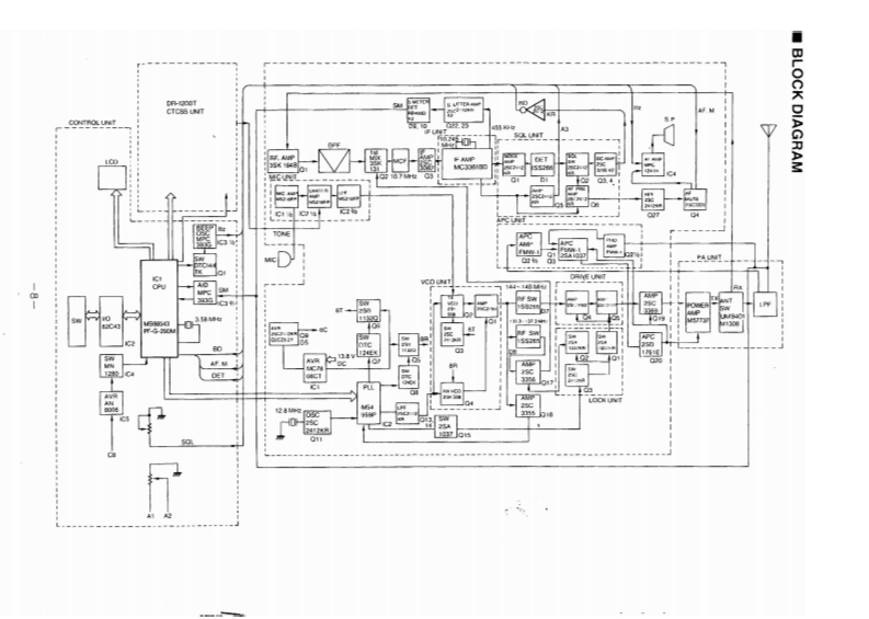
0R-1200TService Manual·SPECIFICATIONS…1●PARTS LIST…25CABINET PARTS LOCATION…6●ADJUSTMENT-……7◆BLOCK DIAGRAM…8·CONTROL PC BOARDS…9·VHF MAIN PC BOARDS10、11●APC PC B0ARDS…12·MIC PC B0ARDS…12·SQL PC B0ARDS…12·LOCK SW PC B0ARDS.…13●IF PC B0ARDS…13·144 DRIVE PC B0ARDS…13●LIBAT PC BOARDS.…14·144VC0PCB0ARDS…14●PA PC B0ARDS…15●TONE SQUELCH PC BOARDS……16ALINCOALINCO ELECTRONICS INC.
喜欢就支持一下吧
评论 抢沙发

请登录后发表评论

    请登录后查看评论内容