

第1页 / 共18页

第2页 / 共18页

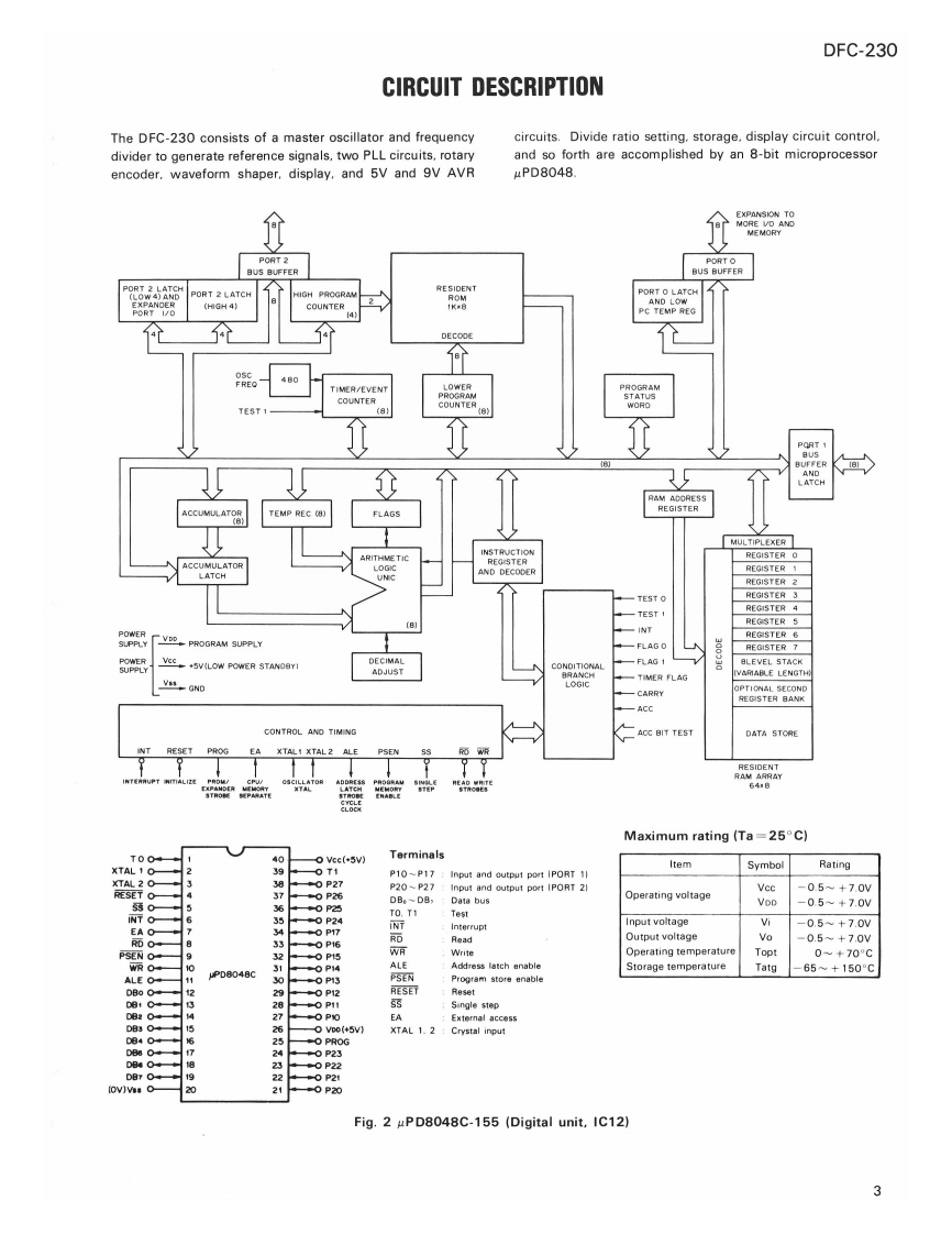
第3页 / 共18页

第4页 / 共18页

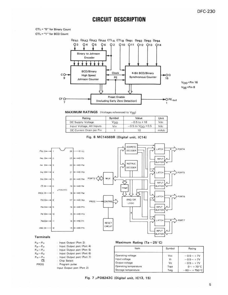
第5页 / 共18页

第6页 / 共18页

第7页 / 共18页

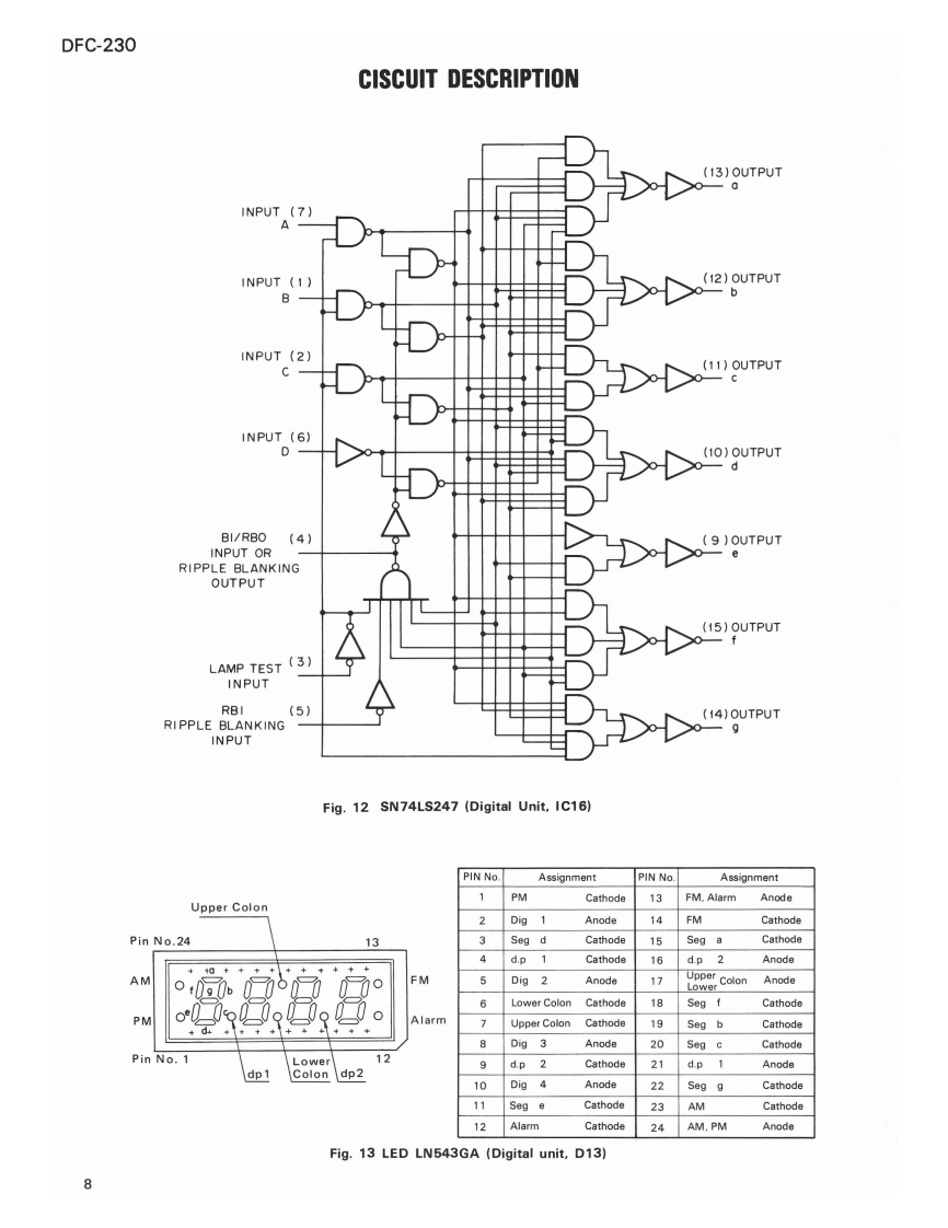
第8页 / 共18页

第9页 / 共18页

第10页 / 共18页
试读已结束,还剩8页,您可下载完整版后进行离线阅读
THE END
KENWOODSERVICE MANUALDFC-230RCVDIGITAL FREQUENCYDOWAST STEPCONTROLLERVFOK UENCY CONTROLLERDFC-230CONTENTSSPECIFICATIONSBLOCK DIAGRAM2OscillationFREQUENCY CHARTfrequency.…5.40≈6.10MHzCIRCUIT DESCRIPTION3Output voltage...........0.2VDISASSEMBLY.........9Frequency stability....1 x 103 at room temp.PACKING......03×103at050°CADJUSTMENTS.…10Power requirement...DC 9V30 mALOCATION OF ADJUSTMENTS14(Supplied fromDC 13.8V 380 mAPARTS LIST..................…14,17transceiver)DC 13.8V 10 mA(Memory backup)PC BOARD VIEW…15SemiconductorSCHEMATIC DIAGRAM..........16used1C31Transistors............47Diodes.…64Dimensions147(148)W51(51)H166(175)Dmm(Figures in ()include projections.)Weight....Approx.1.3 kgA product ofTRIO-KENWOOD CORPORATION6-17.3-chome,Aobadai.Meguro-ku.Tokyo 153.JapanTRIO-KENWOOD COMMUNICATIONS,INC.1111.West Walnut Street.Compton.California.90220.U.S.A.TRIO-KENWOOD COMMUNICATIONS,GmbHD-6374 Steinbach TS.Industriestrasse 8A.West GermanyTRIO-KENWOOD(AUSTRALIA)PTY.LTD.30 Whiting Street.Artarmon.Sydney N.S.W.Australia 2064
请登录后查看评论内容