

第1页 / 共20页

第2页 / 共20页

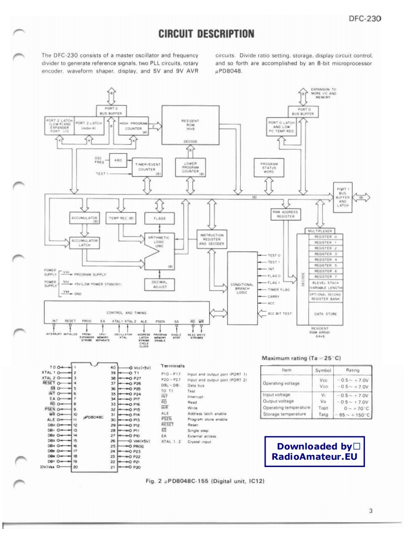
第3页 / 共20页

第4页 / 共20页

第5页 / 共20页

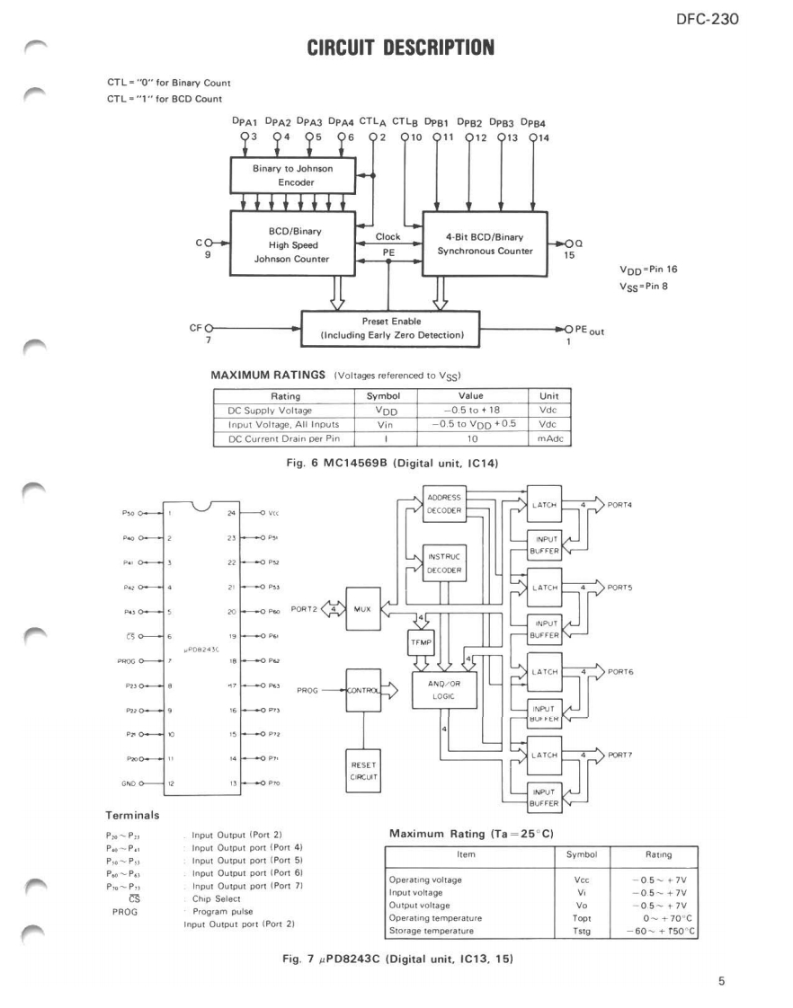
第6页 / 共20页

第7页 / 共20页

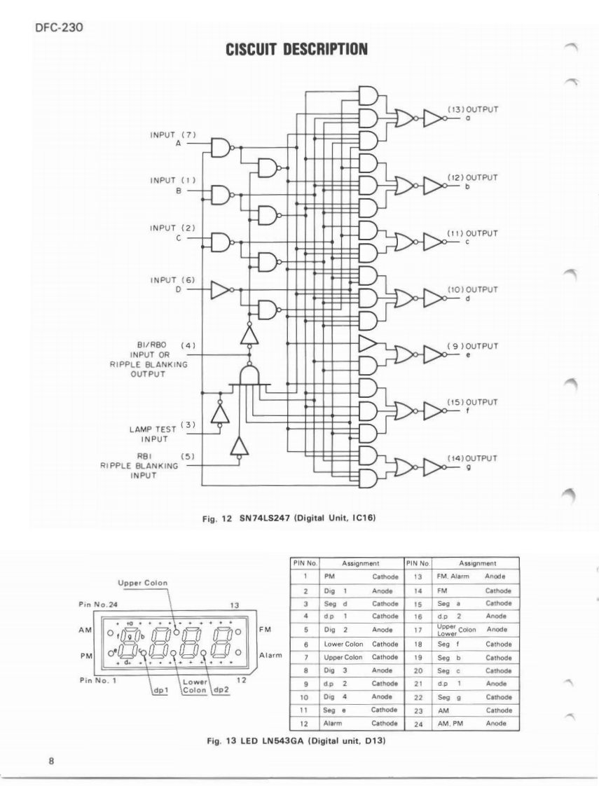
第8页 / 共20页

第9页 / 共20页

第10页 / 共20页
试读已结束,还剩10页,您可下载完整版后进行离线阅读
THE END
KENWOODSERVICE MANUALDFC-230DIGITAL FREQUENCYCONTROLLERCONTENTSSPECIFICATIONSBLOCK DAGRAM.2OscillationFREQUENCY CHARTfrequency.................5.40 -6.10 MHzCIRCUIT DESCRIPTION23Output voltage...........0.2vDISASSEMBLY9Frequency stability....1 x 10 at room temp.PACKING93×10'at050CADJUSTMENTS.1Power requirementDC 9V 30 mALOCATION OF ADJUSTMENTS(Supplied fromDC 13.8V 380 mAPARTS LIST14.17transceiver】DC 13.8V 10 mA (Memory backup]PC BOARD VIEW.15SemiconductorSCHEMATIC DIAGRAM...16usedCPU31Transistors...........7Diodes64Dimensions147148W51(51HDownloaded by▣166f1751DmmRadioAmateur.EU(Figures in include projections.)WeightApprox.1.3 kgA product ofTRIO-KENWOOD CORPORATION6-17.3-chome.Aobadai.Meguro-ku.Tokyo 153.JapanTRIO-KENWOOO COMMUNICATIONS,INC.1111.West Walnut Street.Compton.California.90220.US ATRIO-KENWOOD COMMUNICATIONS,GmbHD-6374 Steinbach TS.Industriestrasse 8A.West GermanyTRIO-KENWOOD(AUSTRALIAPTY.LTD.30 Whiting Street.Artarmon.Sydney N S.W Australia 2064
请登录后查看评论内容