Kenwood_KMC-35_KMC-36_维修说明书手册

Kenwood_KMC-35_KMC-36_维修说明书手册-找手册网
Kenwood_KMC-35_KMC-36_维修说明书手册
此内容为付费资源,请付费后查看
1921
付费资源

第1页 / 共6页

第2页 / 共6页

第3页 / 共6页

第4页 / 共6页

第5页 / 共6页

第6页 / 共6页
已完成全部阅读,共6
THE END
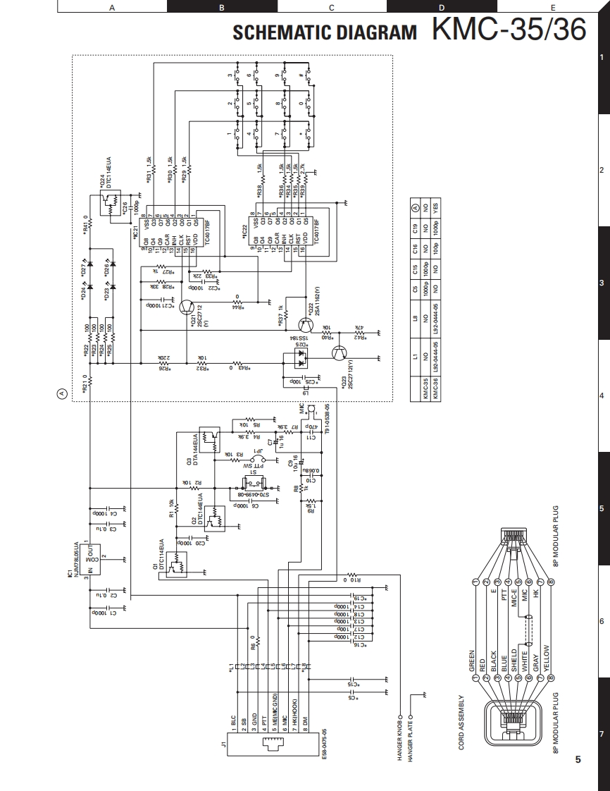
MICROPHONE/KEYPAD MICROPHONEKMC-35/36KENWOODSERVICE MANUAL2004-7 PRINTED IN JAPANB51-8697-00(N)1309KMC-35Lever knob (PTT)(K29-9333-08)Curl cable1E30-7531-08)KMC-36Lever knob (PTT)(K299333-08)Curl cable(E30-7531-08)Key top(K29-9335-08)PARTS LISTKMC-35(Y58-3740-201,KMC-36(Y58.3750-20)New partsRef.No.NewpartsParts No.DescriptionDestinationE30-7531-08CURL CABLE2E58-0475-05MODULAR JACK3G014546-0BCOIL SPRING (PTT)G53-1646-08PACKINGJ19-5479-08MIC HOLDERJ19-5482-05MIC HANGER (ACCESSORY)7K29-9333-08LEVER KNOB (PTT)K29-9334-08KNOB(PTT)9K29-9335-08KEY TOPKMC-36AN52.3012-60PAN HEAD TAPPING SCREWS70-0499-08TACT SWITCH11T91-0538-05MIC ELEMENT
喜欢就支持一下吧
评论 抢沙发

请登录后发表评论

    请登录后查看评论内容