Kenwood_KMC-38GPS_维修说明书手册

Kenwood_KMC-38GPS_维修说明书手册-找手册网
Kenwood_KMC-38GPS_维修说明书手册
此内容为付费资源,请付费后查看
1921
付费资源

第1页 / 共6页

第2页 / 共6页

第3页 / 共6页

第4页 / 共6页

第5页 / 共6页

第6页 / 共6页
已完成全部阅读,共6
THE END
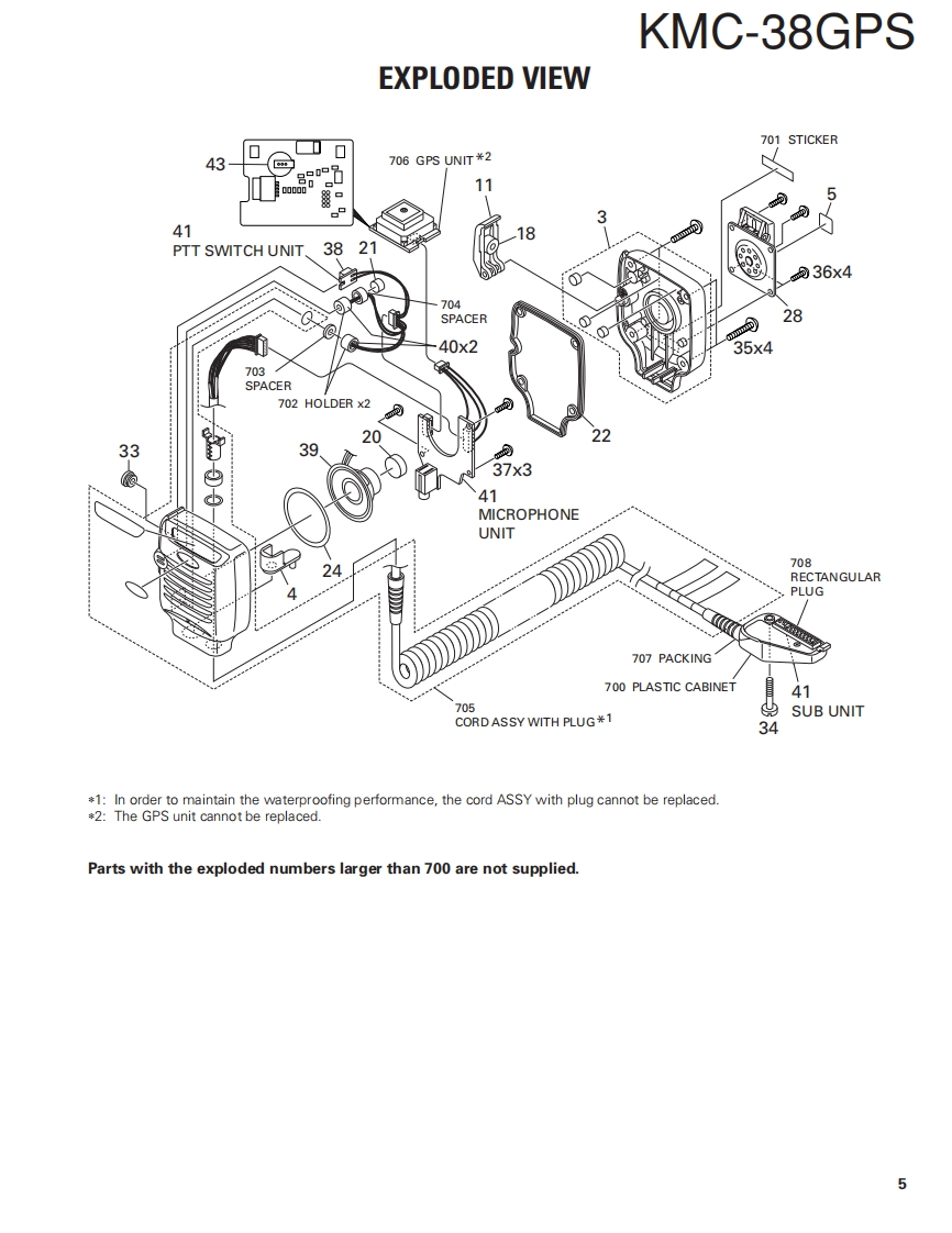
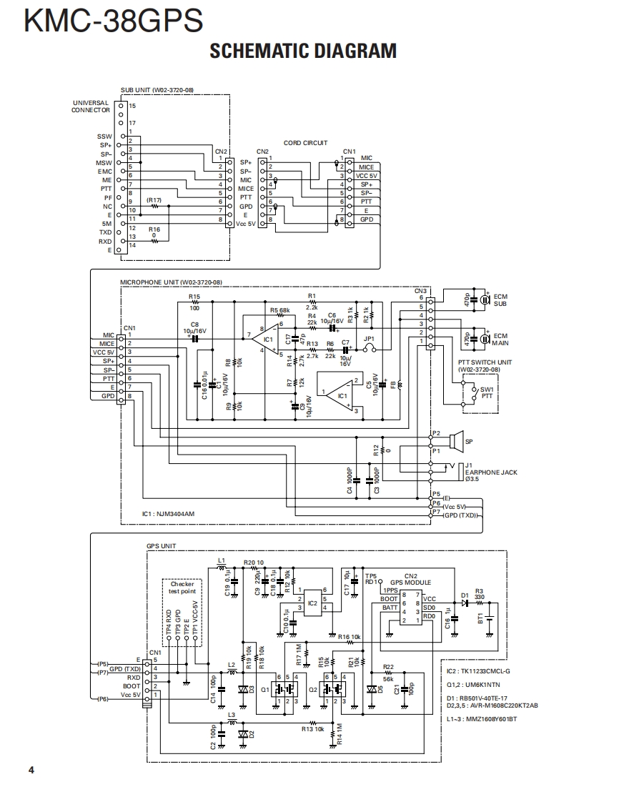
GPS SPEAKER MICROPHONEKMC-38GPSKENWOODKenwood CorporationSERVICE MANUAL2006-9 PRINTED IN JAPANB51-8768-00(N)516GPSLever(PTT)(D10-0629-08)Dressed screw(N08-0547-08)】SPECIFICATIONSCIRCUIT DESCRIPTIONMicrophoneThe location data is calculated by the GPS unit and is thenImpedance2.2k0(MAX)sent to the transceiver via the RXD terminal of the universalSensitivity........-65dB±4dBat1kHzconnector.When the transceiver is turned OFF,the GPS unit entersSpeakerto backup mode and the power is supplied by the internalImpedance....160±15%at1kHzrechargeable lithium battery.Rating input0.5WWhen the transceiver is turned ON,the GPS unit enters toMaximum input....1.5Wnormal operation mode and the power is supplied from theDimensions(Vx Hx D】)62×81×36mmtransceiver via the 5M terminal of the universal connector.(2-7/16×3-3/16×1-27/64 inchesWhile the transceiver is turned ON,the internal rechargeableWeight..Approx.240g/8.5oz.lithium battery charges.It takes approximately 70 seconds to calculate the locationGPS Receiverdata when the GPS unit is "cold started"(full initialization).Receiver system...Parallel 12 channelsReceiver frequency.............................1575.42MHzt 1MHz,L1 band,C/A codeGPS data format..............Compatible with NMEA 0183GPS data update cycle........Every 1 secondThis PCB does not have the LF silk screen,but itThis product complies with the RoHS directive for the European market.is a lead-free solder corresponding product.
喜欢就支持一下吧
评论 抢沙发

请登录后发表评论

    请登录后查看评论内容