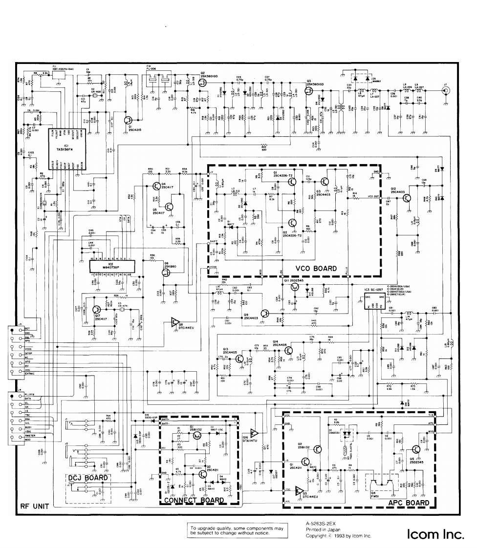
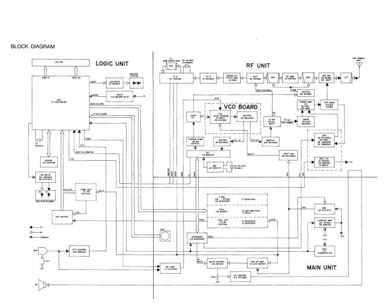
ICOM-IC-2GXA-2维修电器原理图手册找手册网31天前发布关注私信0.59MB3页047ICOM-IC-2GXA-2维修电器原理图手册此内容为付费资源,请付费后查看¥19¥21黄金会员免费钻石会员免费登录购买付费资源 第1页 / 共3页 第2页 / 共3页 第3页 / 共3页 已完成全部阅读,共3页 THE END艾可慕 文本预览 BLOCK DIAGRAM送静LOGIC UNITRF UNIT需CIAU器出品器1291unVCO BOARD5P内mn翻m emeaa站en品4a33福44I42aEr提WT■山空短兴益gH品aMAIN UNIT 查看更多 收起部分 喜欢就支持一下吧收藏
请登录后查看评论内容