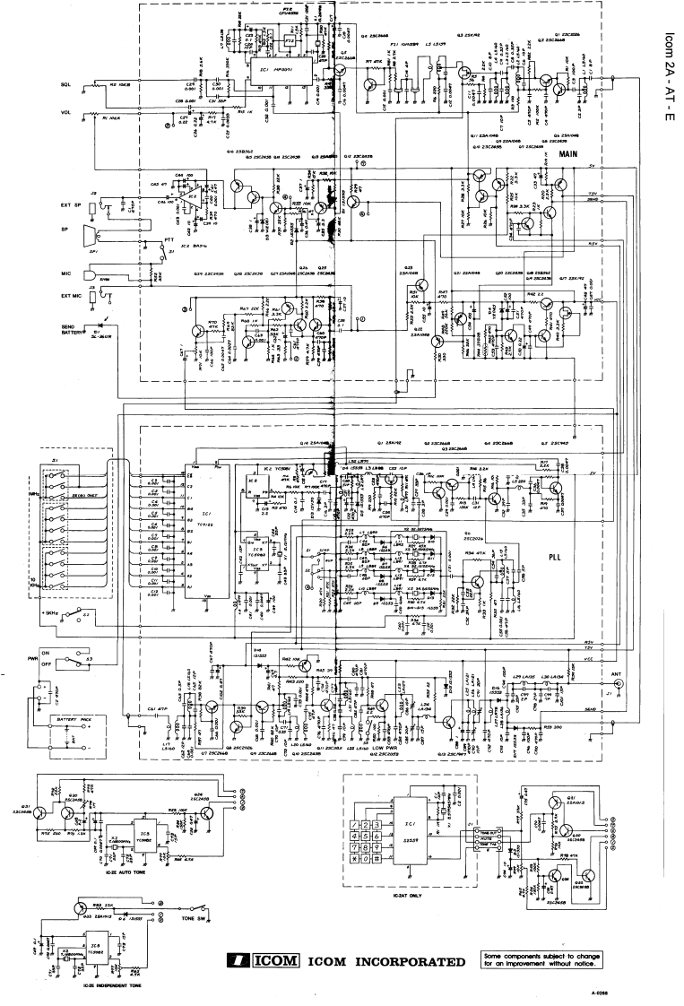
ICOM-IC-2AT维修电器原理图手册找手册网31天前发布关注私信0.13MB1页033ICOM-IC-2AT维修电器原理图手册此内容为付费资源,请付费后查看¥19¥21黄金会员免费钻石会员免费登录购买付费资源 第1页 / 共1页 已完成全部阅读,共1页 THE END艾可慕 文本预览 Icom 2A-AT-EMAINPLLHEONH0G2E M/TO TONEL0角ICOM ICOM INCORPORATEDSome components subloct to changeA 查看更多 收起部分 喜欢就支持一下吧收藏
请登录后查看评论内容