icom_ux97ae_使用说明书手册

icom_ux97ae_使用说明书手册-找手册网
icom_ux97ae_使用说明书手册
此内容为付费资源,请付费后查看
1921
付费资源

第1页 / 共2页

第2页 / 共2页
已完成全部阅读,共2
THE END
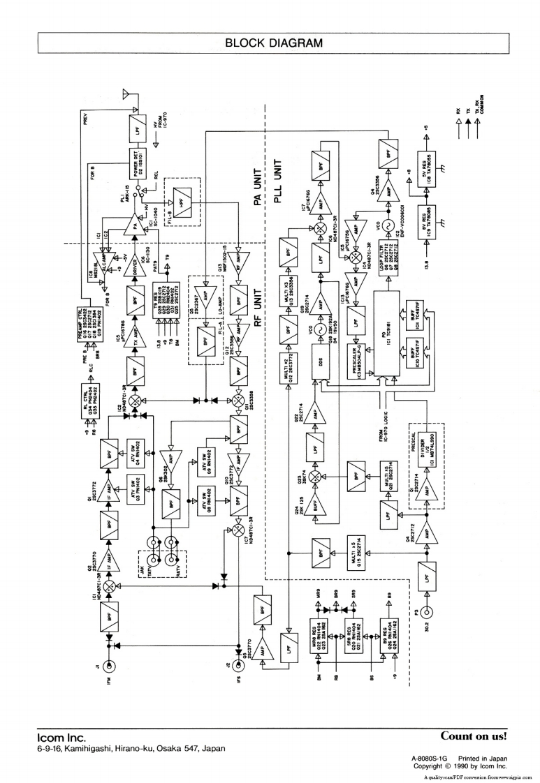
INSTRUCTIONSThank you for purchasing the UX-97A/E 1200 MHz1200 MHz BAND UNITBAND UNIT.U驳-The unit adds 1200 MHz SSB,CW,FM and option-al ATV mode operation capability to yourIC-970A/E/H.FOREWORDThe UX-97A/E allows you to operate in all modes onAfter installation,the supplied stickers should be at-the 1200 MHz band.Moreover,by connecting an op-tached as below:tional TV-970 ATV ADAPTER,you can enjoy amateur[1200MHz ANT]Near the 1200 MHz antenna con-television operation.nector.[1200MHz ATV]Near the TV IF input and outputPlease refer to the IC-970A/E/H instruction manual forjacks.installation and operation;refer to the TV-970 instruc-tion manual for ATV operation.There are 2 jacks for 1200 MHz ATV operation that accept an optional TV-970.The cables to the TV IF input and output jacks shouldRed jack TV IF input from the TV-970be fastened using the supplied wire tie.Black jack:TV IF output to the TV-970SPECIFICATIONSStated specifications are the IC-970A/E/H's whenthe UX-97A/E is installed■GENERAL■RECEIVER·Frequency coverage1240-1300MHzReceive systemSSB,CW Double-conversion·ModeSSB (A3J),CW (A1).superheterodyneFM(F3),ATV(A5,A9)FMTriple-conversion(with optional TV-970)superheterodyneAntenna impedance50 (unbalanced)Intermediate frequencies·Frequency stability:±3ppmMAIN bandSUB band(0°C-+50°C:+32°F-+122°FSSB,FMCWSSB,FMCw·Power supply requirement:13.8V±15%1st131.6500131.6491131.7500131.7491·Current drain2nd10.850010.849110.950010.94911 W output 4.5 ATransmit3rd0.45500.450010 W output8.0ASquelched3.0A·FM mode only.Unit MHzSensitivitySSB,CW Less than 0.11 uVReceiveMax.audio3.5Afor 10 dB S/NoutputFMLess than 0.18 uV。Dimensions:123(W0×57H×250.5(D)mmfor 12 dB SINAD(UX-97A/E only)4.8WM×2.2(H)×9.9(D)in·Squelch sensitivitySSBLess than 1.0 uV(projections not included)(threshold)FMLess than 0.18 uV.Weight(UX-97A/E only):1.8kg:4.0b·SelectivitySSB,CWFM■TRANSMITTERMore than 2.3 kHz/-6 dBMore than 15 kHz/-6 dBOutput power:1.5-10WLess than 4.2 kHz/-60 dBMore than 30 kHz/-60 dB·Modulation systemSSB Balanced modulationSpurious and imageMore than 50 dBFM Variable reactancerejectionfrequency modulationAudio output powerMore than 1.5 W with an 8·Spurious emissionsMore than 50 dB belowloadpeak output powerRIT variable range:±9.99kHz·Carrier suppressionMore than 40 dB belowNotch variable range:More than±1.2kHz·Notch attenuationMore than 25 dBpeak output power●Unwanted sidebandMore than 40 dB belowpeak output powerAll stated specifications are subject to change withoutnotice or obligation.A altyca/PDFcomesion fromwww.ricpix.com
喜欢就支持一下吧
评论 抢沙发

请登录后发表评论

    请登录后查看评论内容