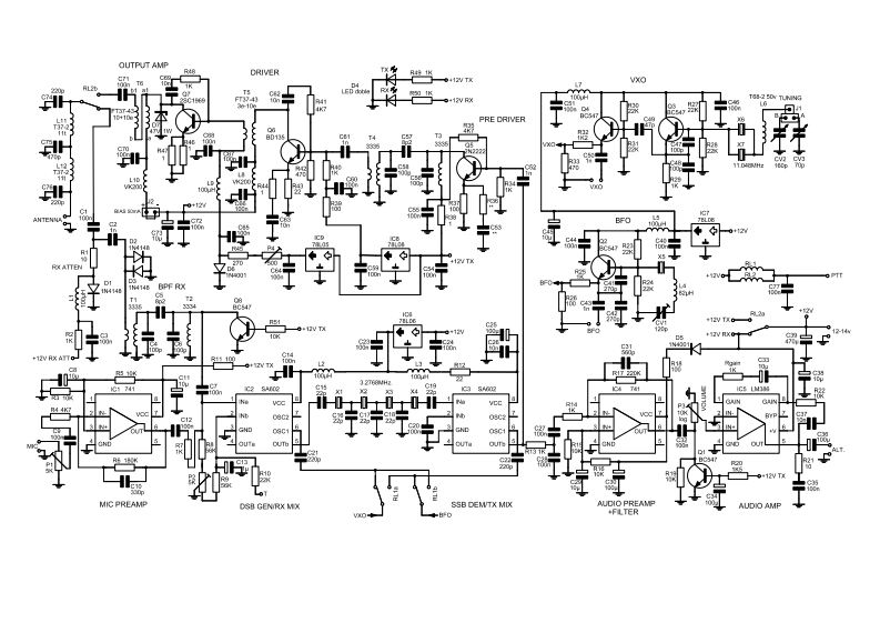
ICOM艾克幕ILER-20_维修说明书图册找手册网31天前发布关注私信0.29MB1页033ICOM艾克幕ILER-20_维修说明书图册此内容为付费资源,请付费后查看¥19¥21黄金会员免费钻石会员免费登录购买付费资源 第1页 / 共1页 已完成全部阅读,共1页 THE END艾可慕 文本预览 OUTP代TAMFCRIVERG71T01tFT246+12VT8-20rT几D+I0kPRE DRIVER12EFO4414414+12yT01ZV TX-12V RX A驻引-14UT1V TMIC PREAMPDSB GENIRX MSSB DEMTX MIXAUDIO PREAMPAUDIO AMP+FLTER 查看更多 收起部分 喜欢就支持一下吧收藏
请登录后查看评论内容