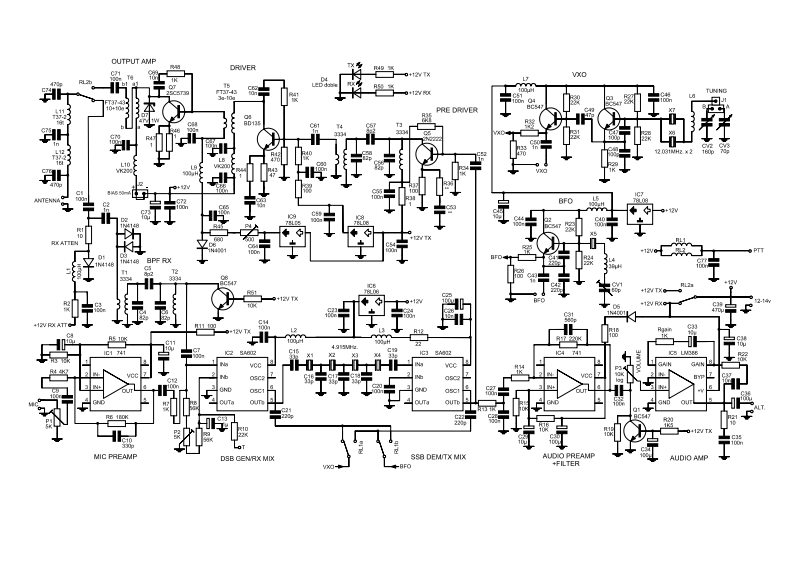
ICOM艾克幕ILER-40_维修说明书图册找手册网31天前发布关注私信0.30MB1页024ICOM艾克幕ILER-40_维修说明书图册此内容为付费资源,请付费后查看¥19¥21黄金会员免费钻石会员免费登录购买付费资源 第1页 / 共1页 已完成全部阅读,共1页 THE END艾可慕 文本预览 OUTPUT AMPDRIVERC71-0+127TXVXO宁PRE DRNERBFO双ATTE鞋新+1241i虹iri虹iHMIC PREAMPS58 DEMITX MIXAUDO PREAMPAUDIO AMPBFO+FILTER 查看更多 收起部分 喜欢就支持一下吧收藏
请登录后查看评论内容