

第1页 / 共107页

第2页 / 共107页

第3页 / 共107页

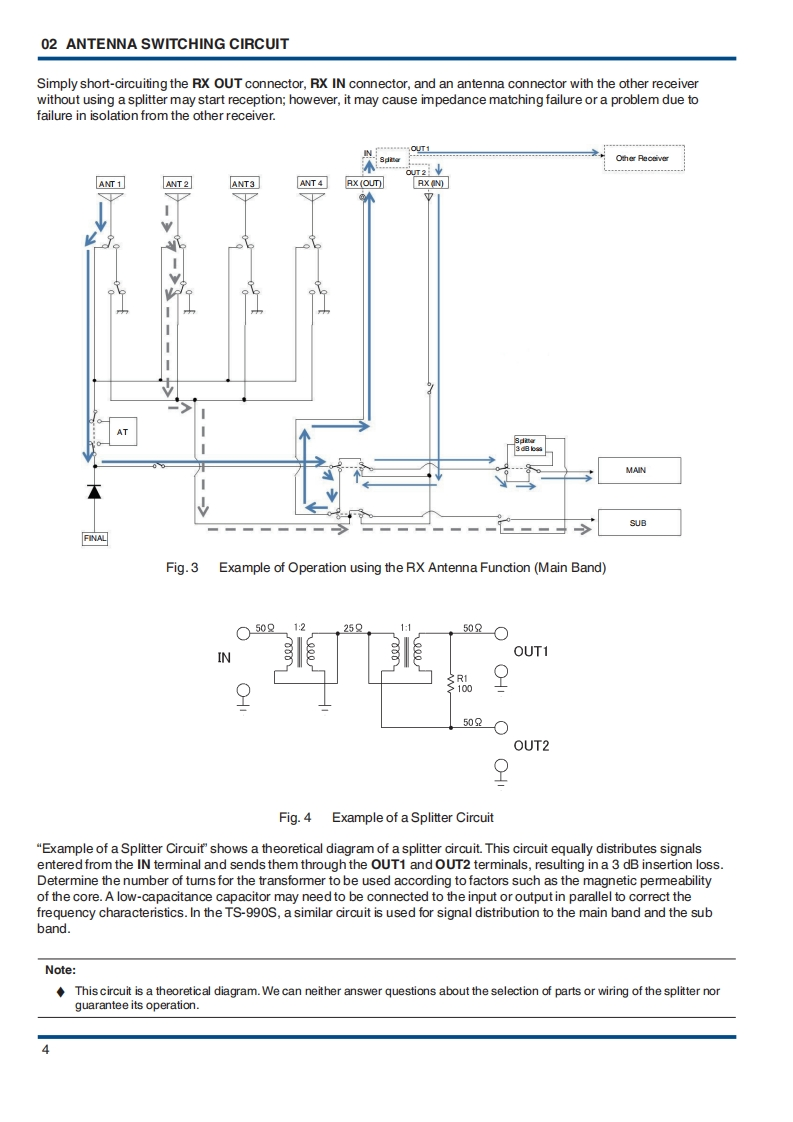
第4页 / 共107页

第5页 / 共107页

第6页 / 共107页

第7页 / 共107页

第8页 / 共107页

第9页 / 共107页

第10页 / 共107页
试读已结束,还剩97页,您可下载完整版后进行离线阅读
THE END
MAIN BUSY /TXKENWOODLC,200B2800SUB BUSY/TX山sAT LSBHC2800VFORX ANT1DRV3B■USB7.100.0000.0003.5XVTRVFORIT/XITMAIN14.200.000HF/S0MHz TRANSCEIVER TS-9901令CLRRXTM-SSPLITENTGEN 2XITCLM/SBMENURXM/VMEMORYM.INRECECORDM-VSTOPPLAYDATAMRMEMO.INTS-990SHF/50MHZ TRANSCEIVERIN-DEPTH MANUAL
请登录后查看评论内容