

第1页 / 共272页

第2页 / 共272页

第3页 / 共272页

第4页 / 共272页

第5页 / 共272页

第6页 / 共272页

第7页 / 共272页

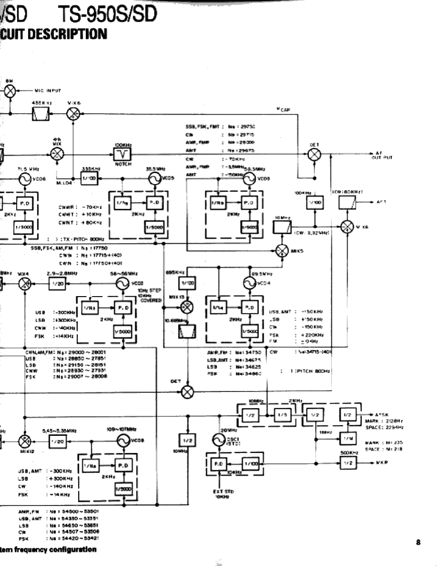
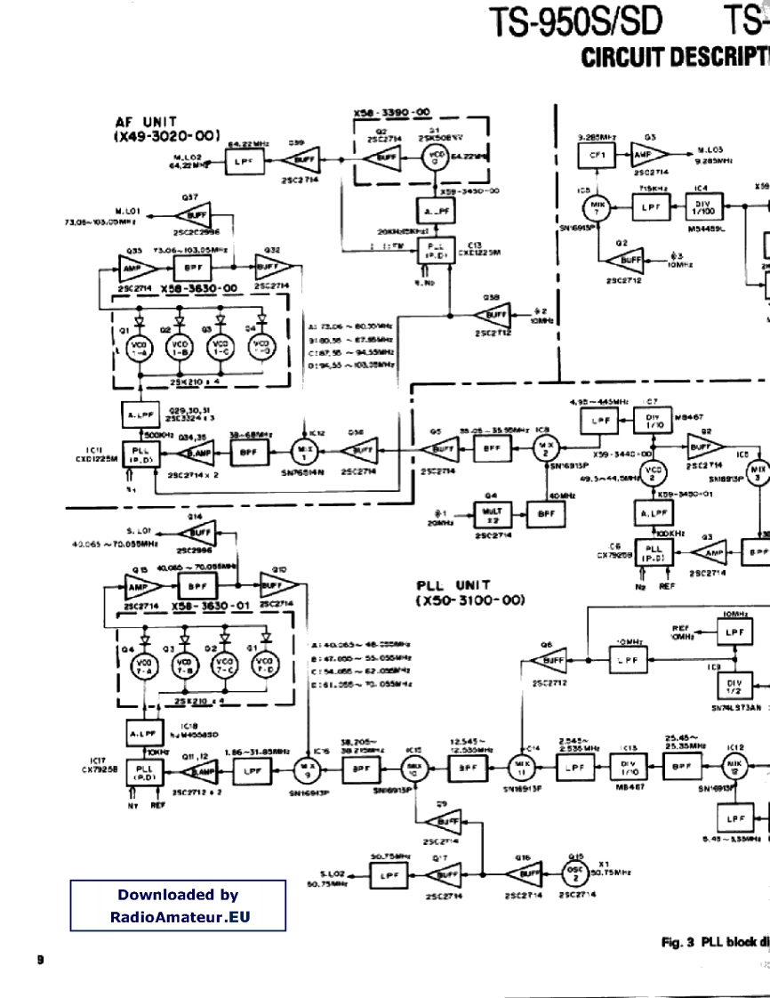
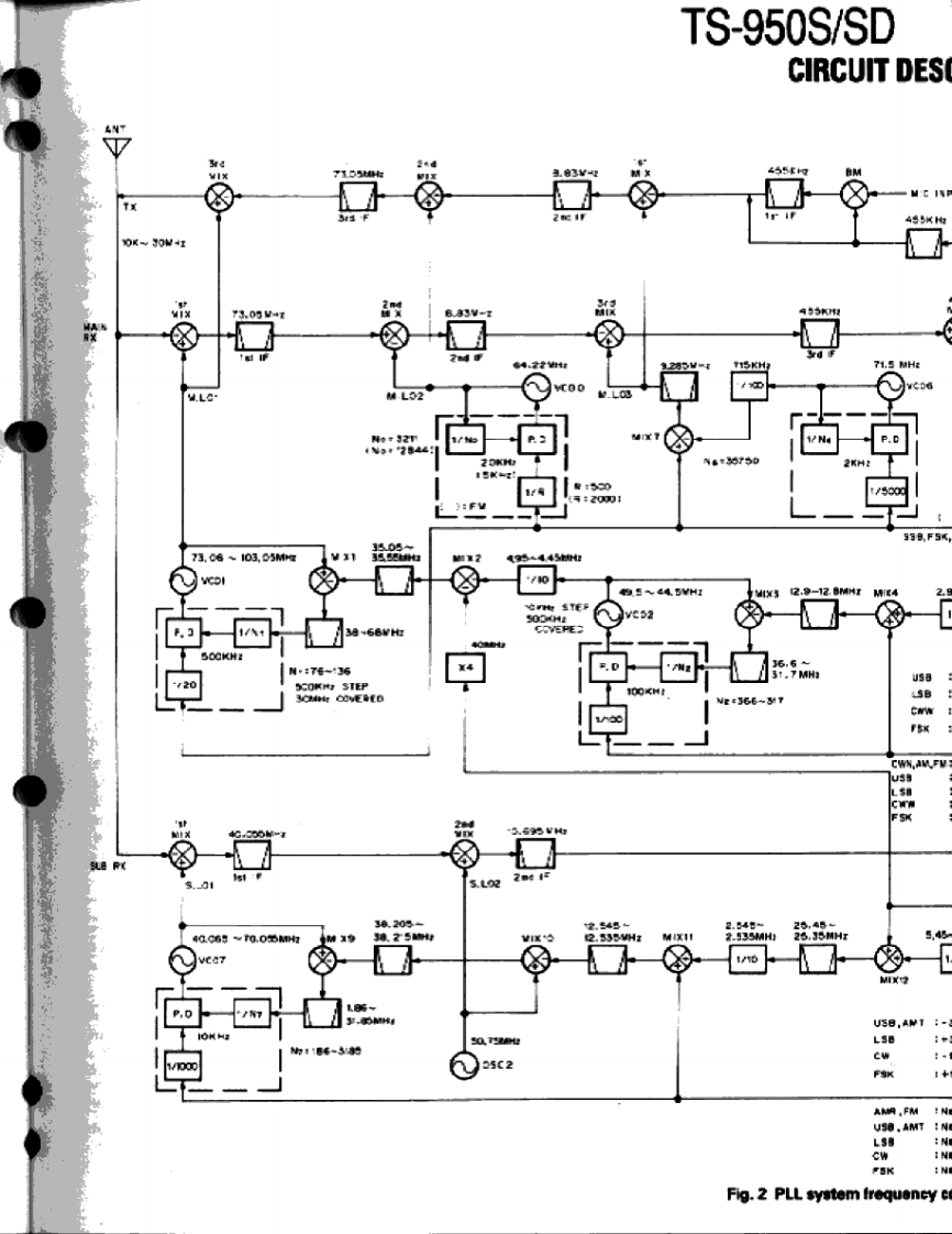
第8页 / 共272页

第9页 / 共272页

第10页 / 共272页
试读已结束,还剩262页,您可下载完整版后进行离线阅读
THE END
HF TRANSCEIVERKENWOODTS-950S/SDDownloaded bySERVICE MANUALRadioAmateur.EUe 1989-11 PRINTED IN JAPANB51-8018-0001336Badge1B43-109B-041KnobKiobFront glassKnobKnob(K29-512041X41K23-0794-040装21810-1119-03K29-4518-00x5K29-4514-041×3KnobKnobMetale cabinet ITop!"KnobK25-4511041K29-4516-040x3A013K23-0793-04X3C-0-0-c”-19509:KrobKnobFoot IFront1K29-4515-040%3121-07e9-121U02-024-041X2KnobKnobKnobKnobK29-317304%4K29-451004号%5K29-31T204用黑3(K230793-04X28P metal receptacleKnob1E06-0B58-15)K29-4514-041X2Phane jadk1E11-0437-051KnobK29-4518041X39KnobKnobKnobKnobKnobKnobKnobKnob1K29-317304)1K29-3192031(K293193031(K29-319-0016K29-310-0300K29-3186-03K293187-03(K29-318B-03KnobKaobKnobKnobKnobKnobKnobKnob1K29-31730401K29-3194-03K29-3195-03j0K293200031129-3200-030K29.317503K293176-03)(K29-3177-03KnobKnobKnobKnobKnobKnobKnobKnob1K29-317304(K29-3196031K29-3197-030K29-32000311K29-3200-0300K29317803K29-317903(K29-3180-03KnobKnobKnobKnobKnobKnobKnobknob(K29-3173041K29319803j(K293199030K2932000311K29-3200-030K29.3181-03)0K293182-03(K293183-03KnobKnobKnobKnobKnobKnobKnobKnob(K293191-031K294501-03)(K29-4504-03)0K29-4502-0311K294503-0316K29-3194-03)(0K29-317403)(K29-318503KnobKaobKnobKnobKnob0K29.45080411294509-04t29.4505-040(K29-4506-04)(K29-4507-04月Refer to parts list on page 96.
请登录后查看评论内容