TS-950SDX维修电器原理图手册

TS-950SDX维修电器原理图手册-找手册网
TS-950SDX维修电器原理图手册
此内容为付费资源,请付费后查看
1921
付费资源

第1页 / 共349页

第2页 / 共349页

第3页 / 共349页

第4页 / 共349页

第5页 / 共349页

第6页 / 共349页

第7页 / 共349页

第8页 / 共349页

第9页 / 共349页

第10页 / 共349页
试读已结束,还剩339页,您可下载完整版后进行离线阅读
THE END
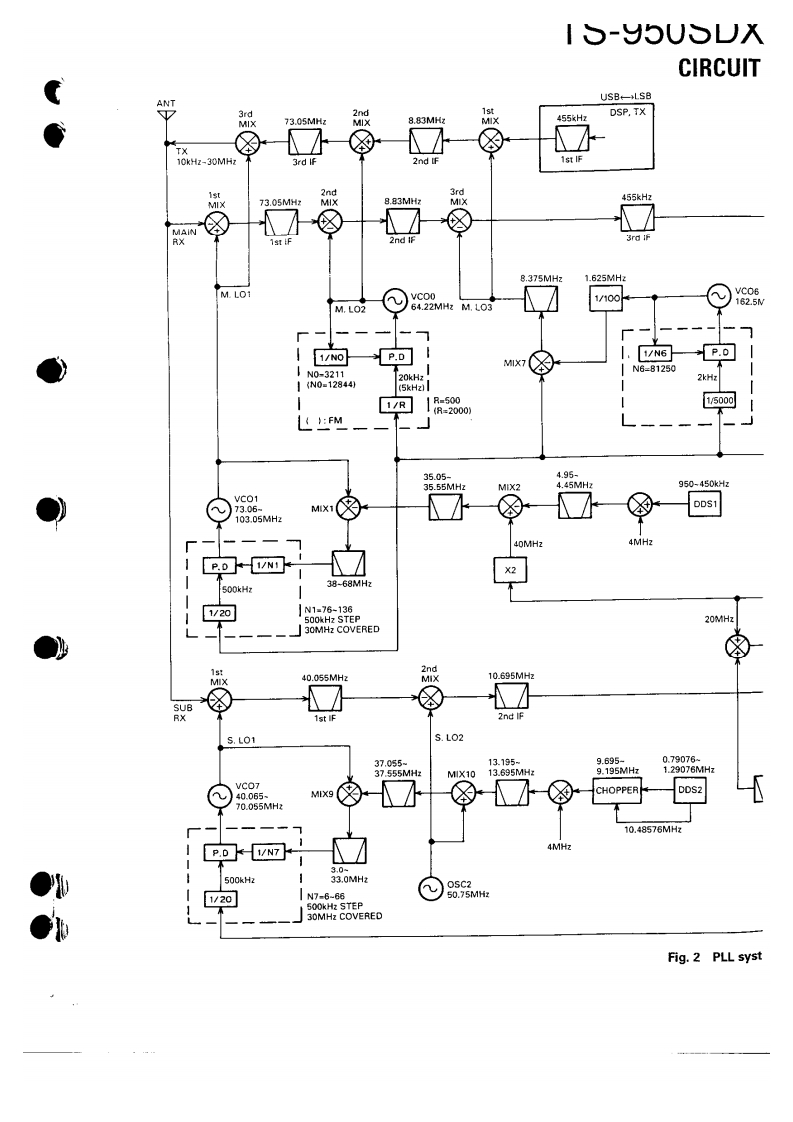
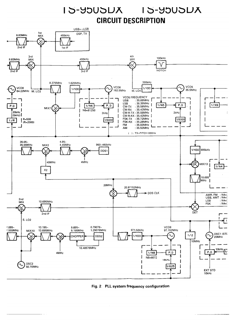
HF TRANSCEIVERKENWOODTS-950SDXSERVICE MANUAL1992-3 PRINTED IN JAPANB51-8158-00(0)997Badge(B43-1098-04)KnobKnobFront glassKnobKnob(B10-1119-03)《K29-4518-04}×5(K29-4514-04}×3(K29-4512-04)x4(K23-0794-04)KoobKnobKnobMetallic cabinet (Top]*(K23-0793-041×3K29-4511-04)(K29.4516-04×4(A01-)KnobKnob(K29-4515-04)×4(K21-0792-021J02-0424-041×2KnobKnobKnobKnob[K29-4513-04)X4K29-4510-04×5{K29-3172-04)×3K23-0793-04}×2KnobCylindrical receptacle(K23-4514041×2E06-0868-15)Phone jack(E11-0437-05)KnobRefer to parts list on page 97.(K29-4518-04)×3KnobKnobKnobKnobKnooKnobKnobKnob(K29-3189-23}(K29-4763-13(K29-3186-23(K29-3187-23(K29-4764-13)(K29-3173-04)(K29-3192-23)(K29-3193-23KnobKnobKnobKnobKnobKnobKnobKnob(K29-3176-23)(K29-3177-23){K29-3173-04)(K29-3194-03(K29-3195-03(K29-3200-03){K29-3200-03)(K29-3175-23)KnobKnobKnobKnobKnobKnobKnobKnob(K29-3173-04){K29-3196-03)K29-3197-03}(K29-3200-031(K29-3200-03)K29-3178-23】K29-3179-23}1K29-3180-23}KnobKnobKnobKnobKnobKnobKnobKnob(K29-3198-03)(K29-3199-03)(K29-3200-03】1K29-32U0-03(K29-3181-23(K29-3182-23)(K29.3183-23)(K29-3173-04KnobKnobKnobKnobKnobKnobKnobKnob(K29.4792-03)(K29-4791-03{K29-4502-03)(K29-4765-03)(K29-3184-2311K29-3174-23)(K29-3185-23{K29-3191-23KnobKnobKnobKnobKnob(K29-4508-04)K29-4509-041[K29-4505-04)K29-4506-04){K29-450704)
喜欢就支持一下吧
评论 抢沙发

请登录后发表评论

    请登录后查看评论内容