

第1页 / 共55页

第2页 / 共55页

第3页 / 共55页

第4页 / 共55页

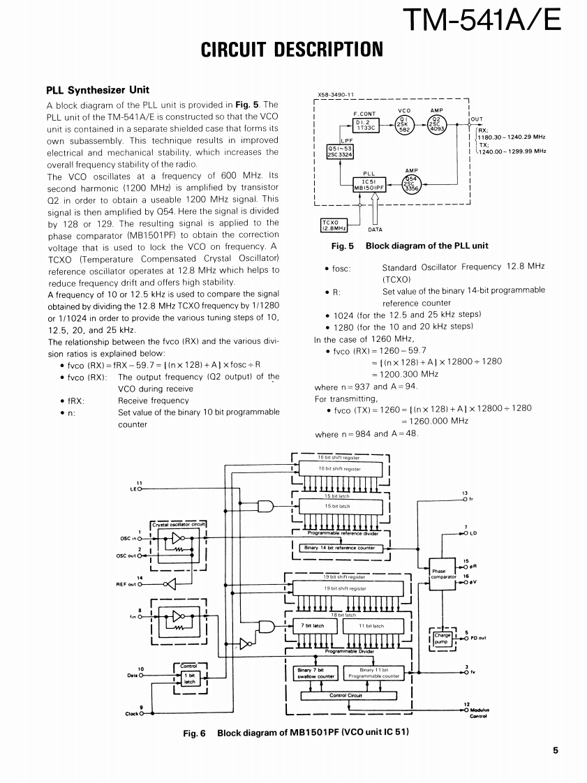
第5页 / 共55页

第6页 / 共55页

第7页 / 共55页

第8页 / 共55页

第9页 / 共55页

第10页 / 共55页
试读已结束,还剩45页,您可下载完整版后进行离线阅读
THE END
1200MHz FM TRANCEIVERTM-541A/EKENWOODBryan Ficlgy wgnSERVICE MANUALC1990-9 PRINTED IN JAPANB51-8063-00(B)699Knob (VFO,MR,MHz)Metallic cabinet (UPPER)K27-3035-14A01-1065-03)Microphone'T91-)Panel ass'y'A62-0005-13:TM-541AA62-0010-13):TM-541EKnob (LOW)(K27-3067-04Knob (POWE刊K27-3066-04KENWOOD296.000F287Knob(MAIN)K29-3156-04)Knob (VOL,SQLK29-3157-04)Knob (CALL)Knob (DR/DT)K27-3068-048 Pin Metal socket (MIC)K27-3075-04)(E06-0860-05)Knob(F)Knob (REV)K27-3069-041K27-3072-041Knob(SHIFT)Knob (TONE)K27-3074-04)K27-3071-04Refer to parts list on page 15.CONTENTSCIRCUIT DESCRIPTION.......................SCHEMATIC DIAGRAM.....................41DESCRIPTION OF COMPONENTS...........11TERMINALFUNCTIONS....................45PARTS LIST................................15BLOCK DIAGRAM..........................46EXPLODED VIEW...........................28LEVEL DIAGRAM...........................48PACKING...........................29DRU-1 (DIGITAL RECORDING UNIT)........49ADJUSTMENT.............................3ODRU-1 (SCHEMATIC DIAGRAM)............54PC BOARD VIEWS/CIRCUIT DIAGRAMDTU-2(DTMFUNIT)........................56LCD ASS'Y(B38-0330-05)........34MC-44E (MULTI FUNCTIONAPC(X59-3130-00)..35MICROPHONE)...................58M1CAMP(X59-3610-00)...35MC-44 DM/MC-44 DME (MULTI FUNCTIONALTX59-3510-00)..36MICROPHONE WITH AUTOPATCH.......59PL(X58-3490-11)......37MC-44(MULTI FUNCTION MICROPHONE).60TX-RXUNIT(X57-371X-XX)................39TSU-6(CTCSS UNIT).......................61SPECIFICATIONS................BACK COVER
请登录后查看评论内容