

第1页 / 共57页

第2页 / 共57页

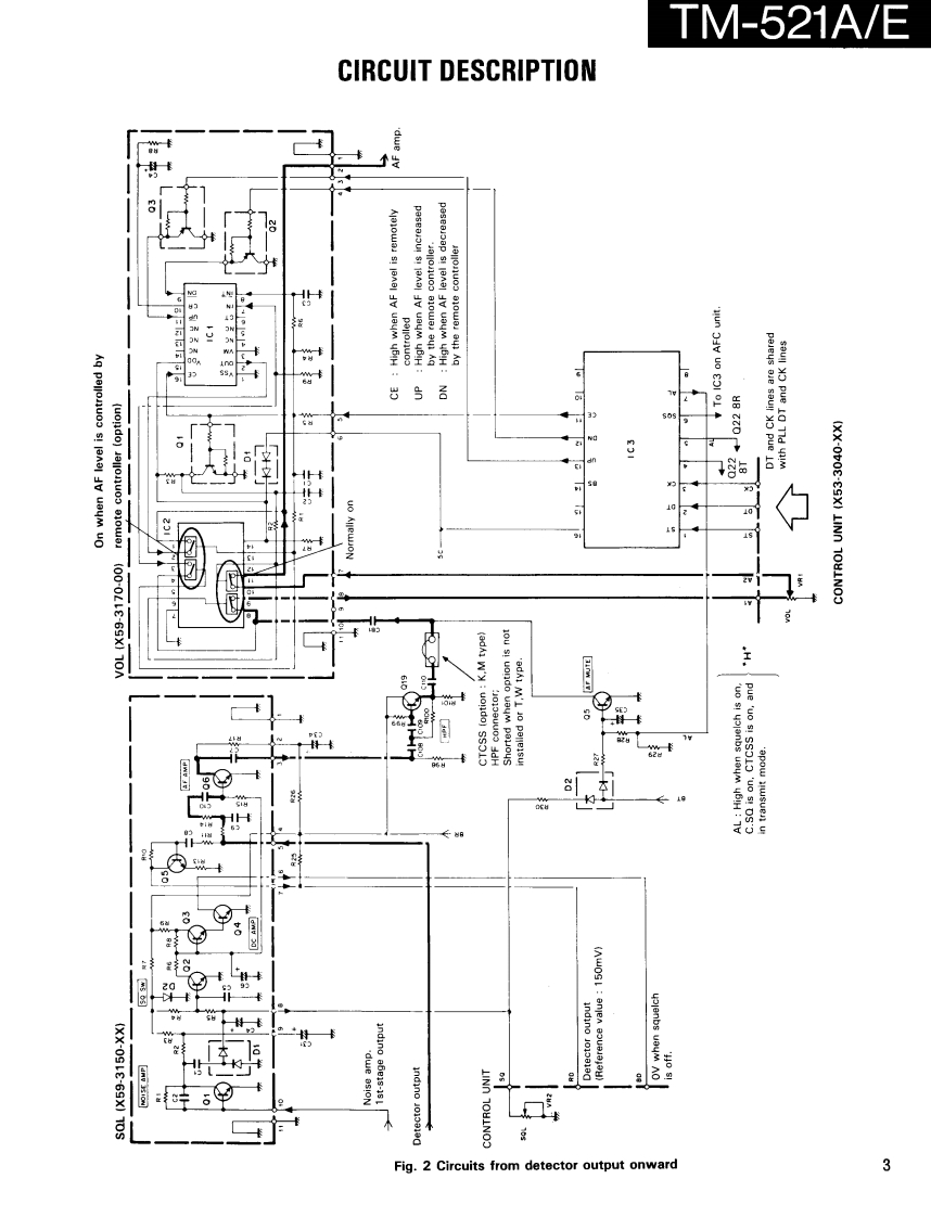
第3页 / 共57页

第4页 / 共57页

第5页 / 共57页

第6页 / 共57页

第7页 / 共57页

第8页 / 共57页

第9页 / 共57页

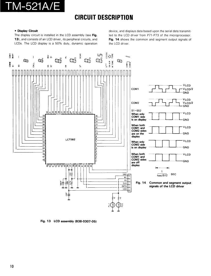
第10页 / 共57页
试读已结束,还剩47页,您可下载完整版后进行离线阅读
THE END
1200MHz FM TRANSCEIVERTM-521A/EKENWOODSERVICE MANUALC1988-3 PRINTED IN JAPANB51-3477-00(T)645Knob (MHz,M.IN.VFO/M)Metallic cabinet (Top)(K29-3058-041×3A01.1021-031Knob (VOL,SDL)Panel ass'y(K29-3061-041×2IA20-1Knob IPOWER,LOW]K29-3061-04)×25541295.000Knob (MAIN)K29-3060-04】Knob ass'y (SHIFT)Microphone'Knob ass'y (TONET91-)K29-3069-04)K29-3070-04)Knob (REV)Knob ass'y (CTCSS)(K29-3065-04(K29-3068-04)Knob (SCAN)(k29-3067.04)*Refer to parts list on page 18.Supplied free by VK5ZLRPhoto is TM-521A.CONTENTSCIRCUIT DESCRIPTION.....2IF UNIT(X59-3140-00)..44SEMICONDUCTOR DATA.........13SQL UNIT(X59-3150-00)..44DESCRIPTION OF ELEMENTS.......14MIC UNIT(X59-3160-00..44PARTS LIST....8V0 L UNIT(X59-3170-00).…44EXPLODED VIEW........33APC UNIT(X59-3130-00).PACKING.3444FINAL UNIT(X45-3200-00.45DISASSEMBLY FOR REPAIR..35CONTROL UNIT (X53-3160-XX).........................46LEVEL DIAGRAM......37TX-RX UNIT (X57-3240-XX)..........................4BLOCK DIAGRAM.38SCHEMATIC DIAGRAM............49ADJUSTMENT..........39TERMINAL FUNCTIONS.53PC BOARD VIEWSTSU-5 (CTCSS UNIT)...54VC0UNT(X58-3350-11)..43SPECIFICATIONS....Back coverAFC UNIT(X59-3410-00)…..44
请登录后查看评论内容