

第1页 / 共132页

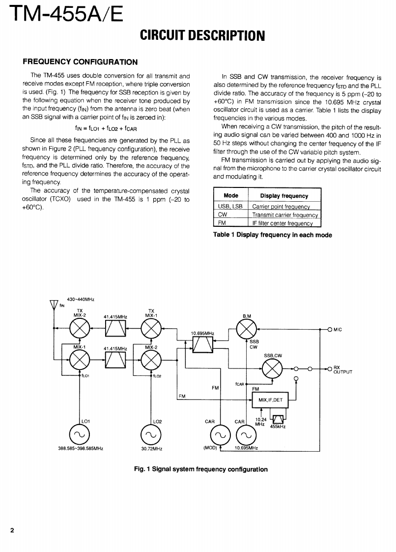
第2页 / 共132页

第3页 / 共132页

第4页 / 共132页

第5页 / 共132页

第6页 / 共132页

第7页 / 共132页

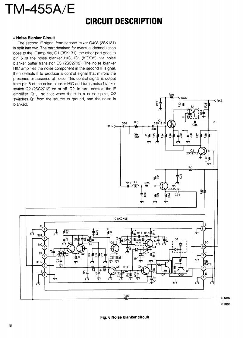
第8页 / 共132页

第9页 / 共132页

第10页 / 共132页
试读已结束,还剩122页,您可下载完整版后进行离线阅读
THE END
430MHz ALL MODE TRANSCEIVERKENWOODTM-455A/E米21了9SERVICE MANUAL1993-12 PRINTED IN JAPANB51-8250-00(S)1060MicrophonePanel(T916397-05):455AA62-0300-03):455AKnob (MODE)(T91-0398-05):455EA62-0301-03):455E(K-29-4870-04)Metallic cabinet (UPPER)KENWOOD(A01-207702)Knob (MODE)(K29-4870-04Knob (FUNCTION)K294871-04)TM-4DKnob (M.CH)(K29-315604)】Knob (MAIN)(K21-079304)Panel (BASE)(A62-0265-03Knob (POWER)(K27-3091-04)Foot Insulation(J02-0441-05)Knob(MR)Knob (A/B)Knob (MHz)KnobKnob (F)Knob (SHIFT)(K294858-14)(K29-4859-14)(K29-4860-14)(AF·VOL,RIT)(K29-4862-04)(K29-4916-04)K29-4809-04)】Knob (RIT)Knob (M.IN)Knob (M>V)Knob (TONE)Knob (REV)(K29-4861-14)(K29-4864-14)(K29-4865-14)Knob(SQL,SHIFT)(K29-4868-04)(K29-4869-04)2466,2664(K29-4810-04)PHOTO is TM-455ECONTENTSCIRCUIT DESCRIPTION…..2SUB UNIT (X58-4020-0X).........96SEMICONDUCTOR DATA..............27TX-RX UNIT(X57-4510-XX)(A/5).97DESCRIPTION OF COMPONENTS..34CONTROL UNIT (X53-351X-XX)(A/2).............101PARTS LIST.............40VC0UNT(X58-4080-00).103EXPLODED VIEW…66FAN UNIT(X59-4020-00)104EXPLODED VIEW (CONTROL)........67LCD ASSY(B38-0701-25)…105PACKING..68SCHEMATIC DIAGRAM ...........……107ADJUSTMENT..................69TERMINAL FUNCTION......…119PC BOARD VIEWSBLOCK DIAGRAM....125CONTROL UNIT (X53-351X-XX)(B/2)...............90WIBING DIAGRAM127TX-RX UNIT(X57-4510-XX)(D/5)-90LEVEL DIAGRAM...........…129TX-RX UNIT (X57-4510-XX)(E/5).......9.DFK-7A (PANEL SEPARATE KIT).......131TX-RX UNIT(X57-4510-XX)(B/5)..92SPECIFICATIONS..........BACK COVERTX-RX UNIT (X57-4510-XX)(C/5).94DESTINATION LISTTypeUnitDestinationFreq.rangeTransmlt(Guaranteed speclfication)powerTM-455A个Y52-3170-11NorthAmerica430.0to439.999995MHz35WTM-455EEY52.3172.71Europe430.0to439.999995MHz35W
请登录后查看评论内容