

第1页 / 共111页

第2页 / 共111页

第3页 / 共111页

第4页 / 共111页

第5页 / 共111页

第6页 / 共111页

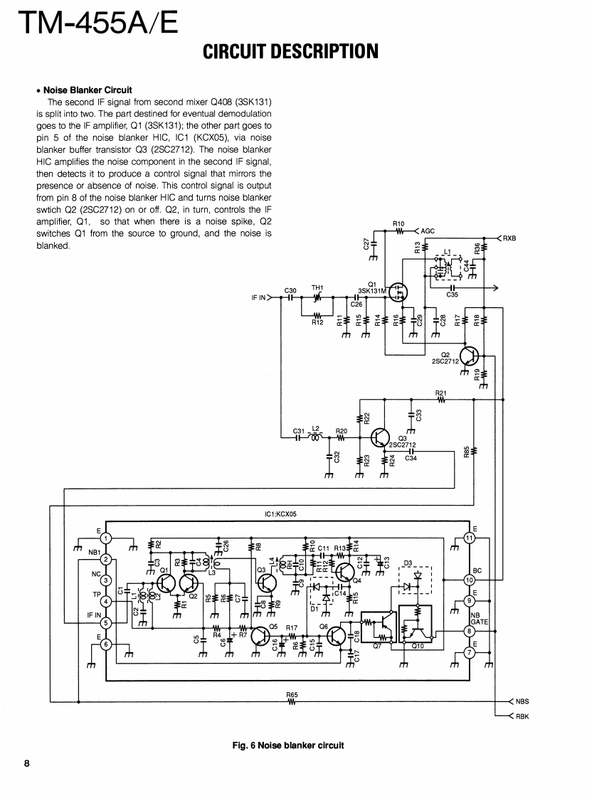
第7页 / 共111页

第8页 / 共111页

第9页 / 共111页

第10页 / 共111页
试读已结束,还剩101页,您可下载完整版后进行离线阅读
THE END
430MHz ALL MODE TRANSCEIVERKENWOODTM-455A/EBnyan FieldsW9C RSERVICE MANUALBran③Brion Fiel5.net1993-12 PRINTED IN JAPANB51-8250-00(S)1060MicrophonePanel(A62-0300-03):455AKnob(MODE)81880831:4eA62-0301-03):455E(K-29-487004)Metallic cabinet (UPPER)(A01-2077-02)KENWOODKnob (MODE)(K29-4870-04Knob(FUNCTION)(K29-4871-04)KENWOODKnob (M.CH)(K29-3156-04)435800.Knob (MAIN)K21-0793-04Panel (BASE)(A62-0265-03Knob(POWER)(K27-3091-04)Foot InsulationJ02-0441-05Knob (MR)Knob(A/B)Knob(MHz)KnobKnob(F)Knob(SHIFT)(K29-4858-14)(K29-4859-14)(K29-4860-14)(AF·VOL.RITT(K29-4862-04)(K29-491604K29-4809-04)Knob(RIT)Knob(M.IN)Knob (M>V)Knob(TONE)Knob (REV)(K29-4861-14)(K29-4864-14)(K29-4865-14)Knob (SQL,SHIFT)(K29-4868-04)(K29-4869-04)K29-4810-04)Knob (SCAN)Knob (CLR)(K29-4866-14)(K29-4867-14PHOTO is TM-455ECONTENTSCIRCUIT DESCRIPTION......................2SUB UNIT(X58-4020-0X0..96SEMICONDUCTOR DATA.......27TX-RX UNIT(X57-4510-XX)(A/5)97DESCRIPTION OF COMPONENTS.......................34CONTROL UNIT (X53-351X-XX)(A/2)..........101PARTS LST..40VC0UNT(X58-4080-00).103EXPLODED VIEW.........66FAN UNIT(X59-4020-00)..104EXPLODED VIEW (CONTROL)...............67LCD ASSY(B38-0701-25).105PACKING.0SCHEMATIC DIAGRAM......107ADJUSTMENT........69TERMINAL FUNCTION......119PC BOARD VIEWSBLOCK DIAGRAM.........125CONTROL UNIT (X53-351X-XX)(B/2)..............90WIRING DIAGRAM..........127TX-RX UNIT(X57-4510-XX))(D/5)..90LEVEL DIAGRAM........129TX-RX UNIT(X57-4510-XX)(E/5).91DFK-7A (PANEL SEPARATE KIT).................131TX-RX UNIT(X57-4510-XX)(B/5).92SPECIFICATIONS...............BACK COVERTX-RX UNIT(X57-4510-XX)(C/5).94DESTINATION LISTTypeUnitDestinationFreq.rangeTransmit(Guaranteed specification)powerTM-455AKY52-3170-11North430.0to439.999995MHz35WAmericaTM-455EEY52.3172.71Europe430.0to439.999995MHz35W
请登录后查看评论内容