TH-55电器原理图

TH-55电器原理图-找手册网
TH-55电器原理图
此内容为付费资源,请付费后查看
1921
付费资源

第1页 / 共5页

第2页 / 共5页

第3页 / 共5页

第4页 / 共5页

第5页 / 共5页
已完成全部阅读,共5
THE END
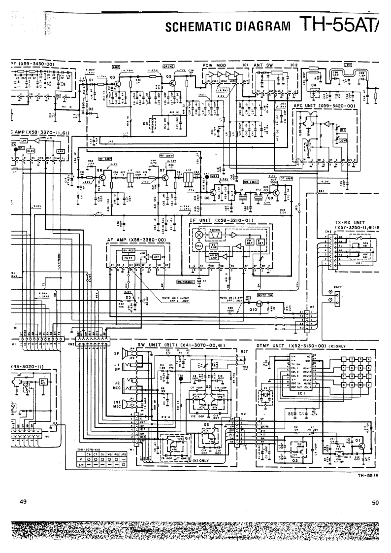
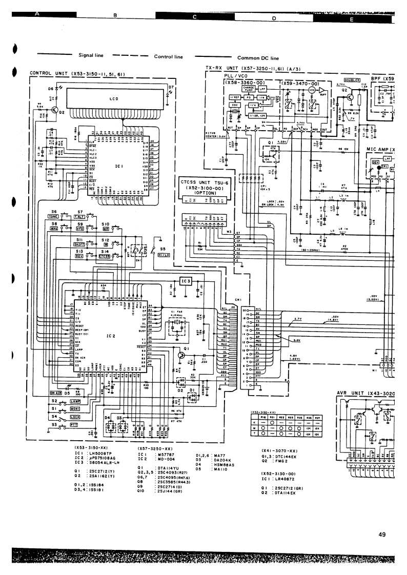
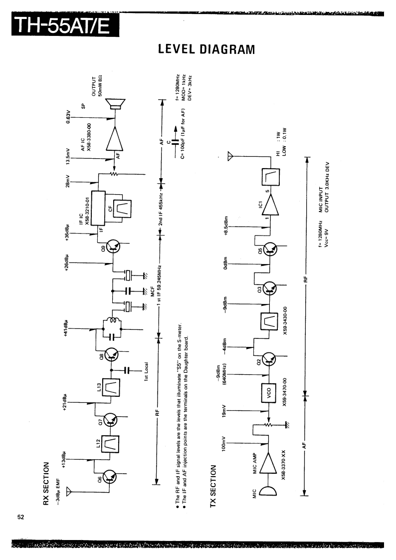
DSignal line----Control lineCommon DC lineTX-RXUN1T(X57-3250-ll,611(A/3)CONTROL UNIT (X53-3150-11.51,61)PLL/VCO「1x58-3360-00)Tx59-3470-001BPF (X5906本CHAREE Ler2LCD景密2,网MIC AMP (X做,CTCSS UNIT TSU-6(x52-3引00-001(OPTION)u38g8:8:H8业品品市57订订-3x2s3:盟晶六品六个个个AA个个个个个3曲中背六旺蜀市趟3495g8,出2四0的站6AVR UNIT (X43-302032六1234LOCK03R3六品定88888a(53-3150-X《x57-3250-XX)【GI:LH5008TP(X41-3070-x×)月P075108AG8l,2,8:M477S8054ALR-LNDA204K8股.3P6ex8HSM88AS8292,s9462mMA110X52-3130-0096.7:23C4095(日47,501,2:155184:25C35851R44.3)I01:LR40872D3,4:1551918.2sC2714【01:25J144【GR)49释阴泥深路
喜欢就支持一下吧
评论 抢沙发

请登录后发表评论

    请登录后查看评论内容