

第1页 / 共15页

第2页 / 共15页

第3页 / 共15页

第4页 / 共15页

第5页 / 共15页

第6页 / 共15页

第7页 / 共15页

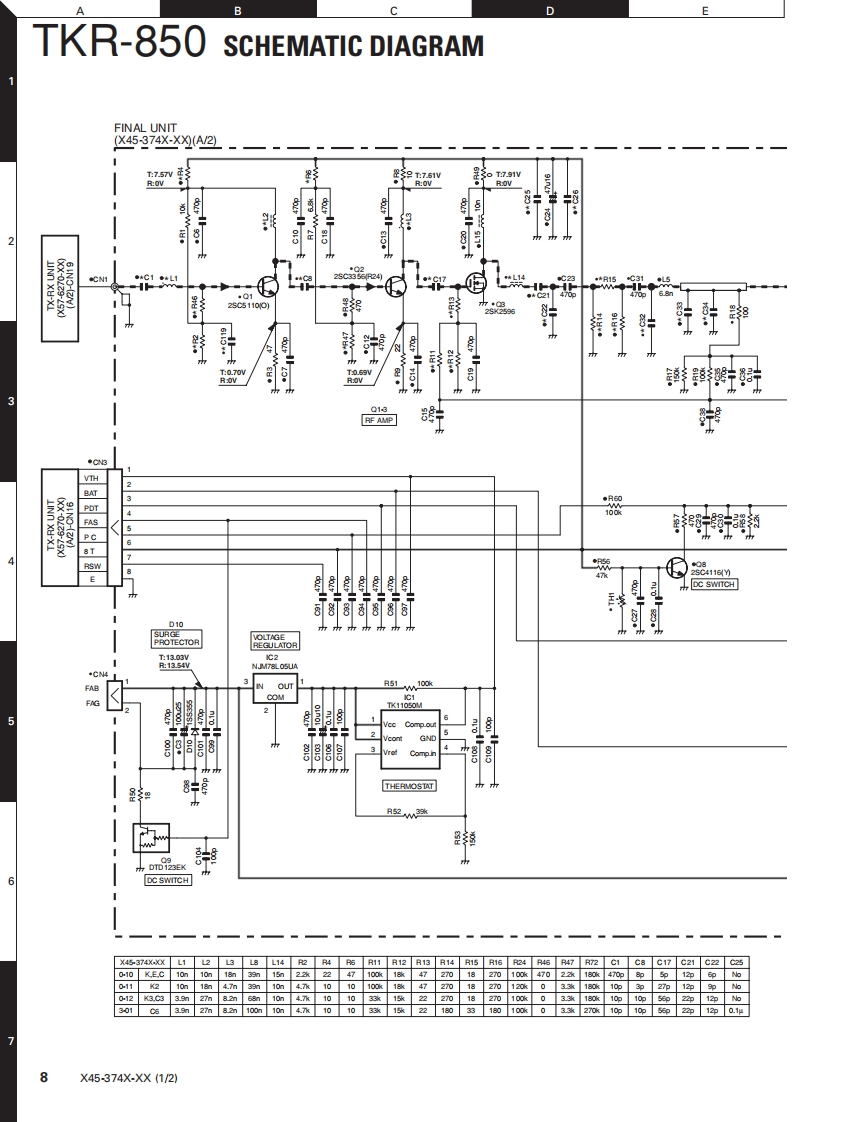
第8页 / 共15页

第9页 / 共15页

第10页 / 共15页
试读已结束,还剩5页,您可下载完整版后进行离线阅读
THE END
UHF FM REPEATERTKR-850KENWOODSERVICE MANUALSUPPLEMENT II2003-12 PRINTED IN JAPANB51-8676-00(N)1926This supplement to the Service Manual is available for products with serial number 50500011 (K,E,C).51000011(K2,K3,C3,C6)or later.This Service Manual contains a parts list,schematic diagrams and PC boards of a new final unit for the TKR-850.Since the adjustment procedure is the same as before,refer to the Service Manual (B51-8557-20:PDF only (K,K2,K3,E),B51-8568-10(C,C3,C6))for the TKR-850 for items not provided in this Service Manual.Knob (DC source)(K29-9106-04)Panel (Outer)Knob (VOL)(A62-0840-03)(K29-5389-03)KENWOODPanel assyKey topModular jack(A62-0934-03)(K295460-02)(E08-0877-05)CONTENTSPARTS LIST.2PC BOARDFINAL UNIT (X45-374X-XX)4SCHEMATIC DIAGRAM..8EXPL0 DED VIEW.…10SPECIFICATIONS.…11
请登录后查看评论内容