

第1页 / 共15页

第2页 / 共15页

第3页 / 共15页

第4页 / 共15页

第5页 / 共15页

第6页 / 共15页

第7页 / 共15页

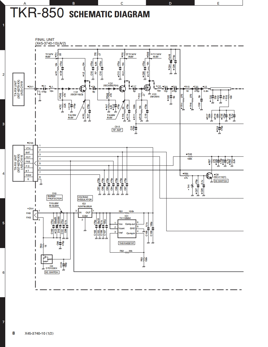
第8页 / 共15页

第9页 / 共15页

第10页 / 共15页
试读已结束,还剩5页,您可下载完整版后进行离线阅读
THE END
UHF FM REPEATERTKR-850KENWOODSERVICE MANUALSUPPLEMENT2003-7 PRINTED IN JAPANB51-8662-00(N)1927This supplement to the Service Manual is available for products with serial number 50500011 or later.This Service Manual contains a parts list,schematic diagrams and PC boards of a new final unit for the TKR-850.Since the adjustment procedure is the same as before,refer to the Service Manual (K,E:B51-8557-10,C:B51-8568-10)forthe TKR-850 for items not provided in this Service Manual.Knob(DC source)】(K29-9106-04)Panel (Outer)Knob (VOL)(A62-0840-03)(K29-5389-03)KENWOODPanel assyKey topModular jack(A62-0934-03)(K295460-02)(E08-0877-05)CONTENTSPARTS LIST…2PC BOARDFINAL UNIT(X45-3740-10).…4SCHEMATIC DIAGRAM...8EXPL0 DED VIEW…10SPECIFICATIONS.…11
请登录后查看评论内容