Kenwood_SW-2000_user操作说明书手册

Kenwood_SW-2000_user操作说明书手册-找手册网
Kenwood_SW-2000_user操作说明书手册
此内容为付费资源,请付费后查看
1921
付费资源

第1页 / 共8页

第2页 / 共8页

第3页 / 共8页

第4页 / 共8页

第5页 / 共8页

第6页 / 共8页

第7页 / 共8页

第8页 / 共8页
已完成全部阅读,共8
THE END
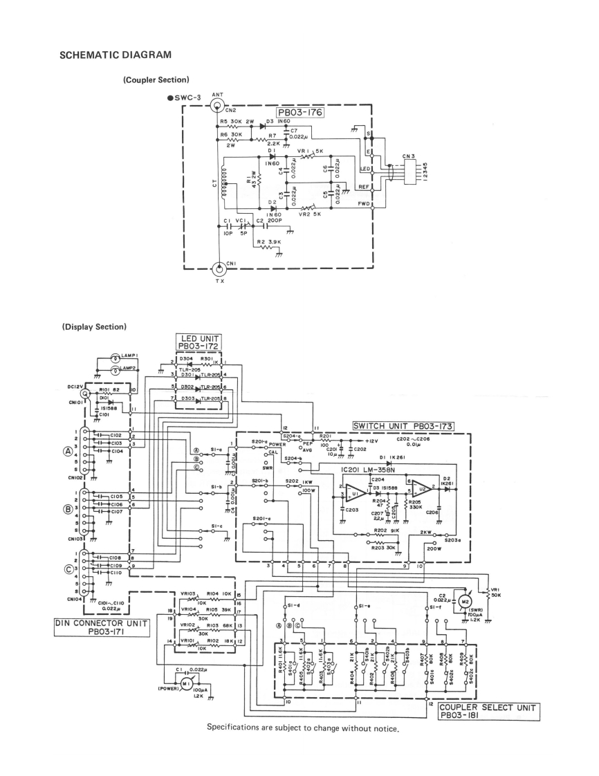
KENWOODComponent parts and their functionsSW-2000①TX ConnectorA UHF connector accepts transmitter output through aSWR/POWER METER502 coaxial cable.②ANT connectorUHF connector for the antenna or dummy load.③Coupler bracket■FeaturesUse this to affix the coupler with screws.The couplerThe SW-2000 through-type SWR/POWER meter which,incan be mounted on the rear of the display unit.conjunction with a directional coupler,can be used in the④Detector cable1.8-450 MHz frequency range.Connect to the coupler input terminal on the display.As a through-type meter,it can be connected betweenunit rear panel.the transmitter and antetta so that output can be meas-⑤Nameplateured during operation.This indicates the rating of the coupler.Do not attemptto use the coupler at power levels exceeding the speci-fied rating.(1)DetectorKENWOOD3wc-328ecoaE-44MPEDANCE率TANT(Figure denotes SWC-3)Either a toroidal directional coupler (SWC-1/SWC-3)ora strip line directional coupler (SWC-2)are used in thecompanion detectors.Sensitivity is high,the outputcharacteristics are flat and power can be measured with-out any calibration or calculation.SWR may be measur-ed with as little as 30W of RF power (approx.3W whenusing SWC-1)in the 1.8 MHz HF band.The coupler and display unit can be separated so the dis-play unit can be mounted wherever convenient.Sinceup to 3 couplers can be connected to the display unit,one display unit can be used to observe a number oftransmitters or antenna systems..The display unit uses dual meters to simultaneouslymeasure forward and reflected power for fast and easytransmitter and antenna tuning..The SW-2000 SWR/POWER meter can measure singleside band PEP (Peak Envelope Power).
喜欢就支持一下吧
评论 抢沙发

请登录后发表评论

    请登录后查看评论内容