Kenwood_SW-100A_SW-100B_SW-200_SW-2000_adjust_-_维修说明书图册

Kenwood_SW-100A_SW-100B_SW-200_SW-2000_adjust_-_维修说明书图册-找手册网
Kenwood_SW-100A_SW-100B_SW-200_SW-2000_adjust_-_维修说明书图册
此内容为付费资源,请付费后查看
1921
付费资源

第1页 / 共4页

第2页 / 共4页

第3页 / 共4页

第4页 / 共4页
已完成全部阅读,共4
THE END
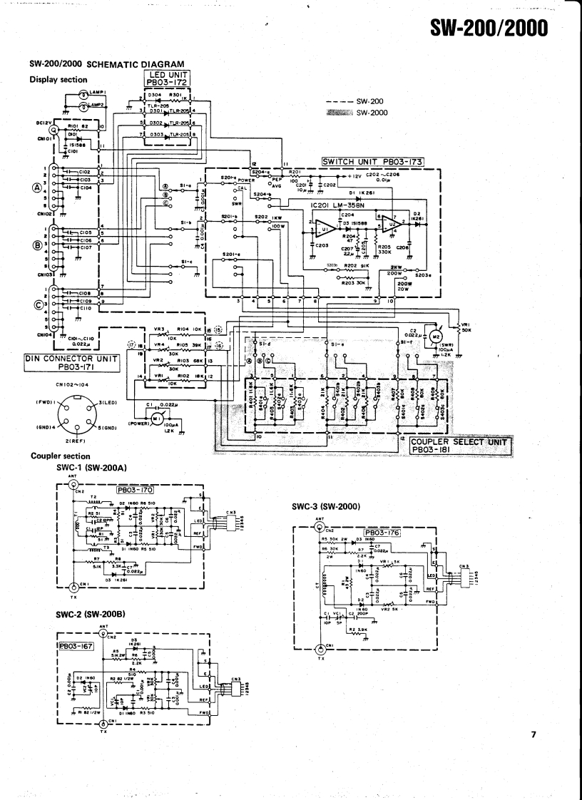
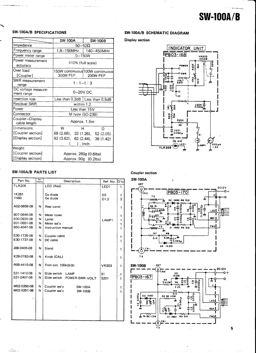
SW-100A/BSW-100A/B SPECIFICATIONSSW-100A/B SCHEMATIC DIAGRAMSW-100ASW-100BDisplay sectionImpedance50-522Frequency range1.8-150MHz140-450MHzINDICATOR UNITPower meter range0-150WPB03-168Power measurement±10%(full scale)accuracyP0WEOver load150W continuous100W continuous[Coupler]300W PEP200W PEPSWR measurementrange1:1-1:3DC voltage measure-ment range0-20V DCInsertion lossLess than 0.3dB Less than 0.5dBResidual SWR.within 1.2PowerLess than 15VConnectorM type(S0-239】Coupler-Displaycable lengthApprox.1.5mR20239DimensionsWHD[Coupler section]68(2.68),32(1.261,52(2.05)[Display section]92(3.62,62(2.44),36(1.42)ON AIR)Inch2004WeightTLR2051.2[Coupler section]Approx.260g(0.6ibs】[Display section]Approx.90g (0.21bs)SW-100A/B PARTS LISTCoupler sectionPart No.DescriptionRef.No.Q'tySW-100ATLR205LED (Red)ANTLED11CN2P803-17可0+1K261Ge diodeD321N60Ge diode12D21N60R65I0A02-D659-08NRear panelR251C22P8T8B070646-08NMeter coverB30-0830-08NEELampLAMP18宁B31-0651-08NMeter ass'yB50-4047-08NInstruction manualmm T301N60R55oE30-1735-08NCoupler cableE30-1737-08在54KDC cableT0.022MJ09-0405-08031K261StandC N IK29078308NKnob (CAL)TR054410-08NTrim pot.100k(B)VR2031SW-100BANT■0c12VS31-1412-08N Slide switch LAMPS1.10十S312407-08NSlide switch POWER-SWR-VOLTS2011P803-167W02-0350-08NCoupler ass'ySW-100A22%W02-0351-08NCoupler ass'ySW-100B1D21N60R282/2增REF11603510CN
喜欢就支持一下吧
评论 抢沙发

请登录后发表评论

    请登录后查看评论内容