Kenwood_SW-200_SW-2000_adjust_-_维修说明书图册

Kenwood_SW-200_SW-2000_adjust_-_维修说明书图册-找手册网
Kenwood_SW-200_SW-2000_adjust_-_维修说明书图册
此内容为付费资源,请付费后查看
1921
付费资源

第1页 / 共3页

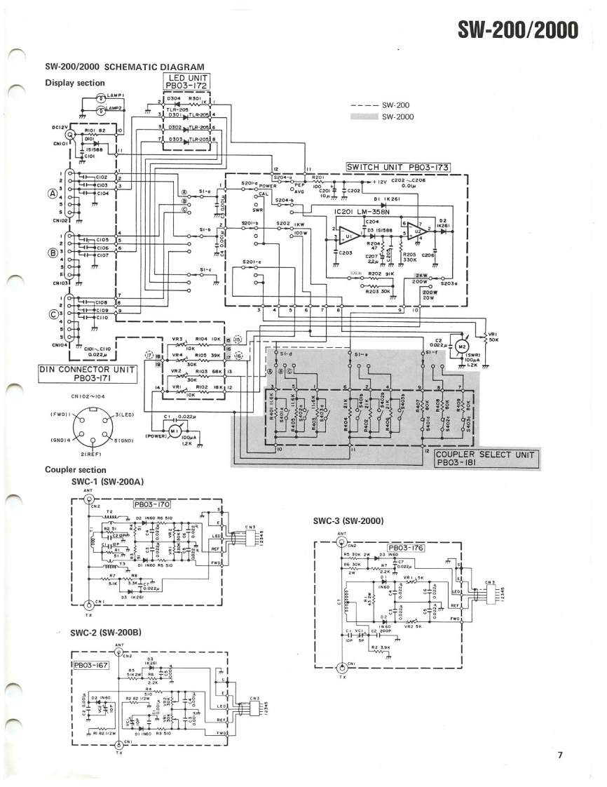
第2页 / 共3页

第3页 / 共3页
已完成全部阅读,共3
THE END
SW-200/2000 PARTS LISTSW-200/2000 SPECIFICATIONSPart No.DescriptionRef.No.Q'tyCoupler section (Accessories)LM-358NOP IC1C2011SW-200A5W-200B5W2000TLR205LED (Red)D301-304ModelSWC1SWC-2SWC350-5201K261Ge diodeD122Frequency range18=150MH7140-450MH1.B-54MH1S1588D3,101AM/FM200W100w1KW VHF 300WSi diodeCW300W150W1.5KW450WPEP200W2KW600WB07-0644-08NMeter coversW-2001losertion loesLess than 0.3dBLess than 0.5dBLess than 0.3dBB07-064808NMeter coversW-20001Within 1.2B30-0830-08NLampLAMP1,22ConnectorM type (SO-239)B310646-08NMeter ass'ySW-2001Detector cible lengthApprox.1.5mB310647-08NMeter ass'ySW-20001WB504045.08Instruction manualSW-200166〔2661.3211.28.52(2.051B50-4090-08NInstruction manualSW-20001WeightApprax.260g (0.6ibslE03-015708NPower jackCN1011E06-0553085P DIN socketCN102-1043E30-1736-08NDC cableAccessory1G09-0410-05Display sectionD-spring (CAL.COUPLER)2SW-200A5W200B5W-2000K23-0721-04Knob (CAL,COUPLER)2Power measure.FWD0-20.200w0-200.,2000mnent rangeREF0-10.100w0-100.1000wR01-4412-08NPot.50k(B)VR11Power mcasurement1.B-30MH2±10%accuracy (Full scale]±10%50-54MHz-15%S29.1431-08NRotary switch (COUPLER)S1owver measurement modeAVG.PEPsW-200SWR measurement range1:1-1:10S29-240808NRotary switch (COUPLER)61Vinimum powcr torA0pra×.3WApprox.30WSW-2000SWR mensurement.Arbi trary coupler SWC-1.2.3 3-units connectable (SW-20001S33-2404-08NLever switchS202-2043ind display.Arbitrary coupler SWC-12 3units connectable (SW-200A.B)S33-4401-0BNSlide switch (Rear panel)S401-4033sW-200011V-15V DC.MAX 100mA (PEP measurement and meterS33-4403-08NLever switch (POW-CAL-SWR)S201lamp only)PH019647.72.632.481.783.07)WeightArro×.650g(14IbgAccessoriesRed/blsck DC power cable (1m)
喜欢就支持一下吧
评论 抢沙发

请登录后发表评论

    请登录后查看评论内容