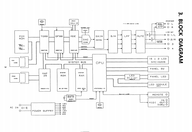
03RW_维修手册电器原理图找手册网18小时前发布关注私信2.27MB45页03503RW_维修手册电器原理图此内容为付费资源,请付费后查看¥19¥21黄金会员免费钻石会员免费立即购买您当前未登录!建议登陆后购买,可保存购买订单付费资源 第1页 / 共45页 第2页 / 共45页 第3页 / 共45页 第4页 / 共45页 第5页 / 共45页 第6页 / 共45页 第7页 / 共45页 第8页 / 共45页 第9页 / 共45页 第10页 / 共45页 试读已结束,还剩35页,您可下载完整版后进行离线阅读 THE ENDKORG 文本预览 SERVICE MANUAL03RWCONTENTS1.SPECIFICATIONS....................................12.STRUCTURAL DIAGRAM23.BLOCK DIAGRAM34.CIRCUIT DIAGRAM45.P.CB0ARDS…6.DIAGNOSTIC TEST…77.REFERENCE DATA248.PARTS LIST36KORG 查看更多 收起部分 喜欢就支持一下吧收藏
请登录后查看评论内容