HarmanKardon-A120Melody_MKII-int-维修说明书手册含电器原理图

HarmanKardon-A120Melody_MKII-int-维修说明书手册含电器原理图-找手册网
HarmanKardon-A120Melody_MKII-int-维修说明书手册含电器原理图
此内容为付费资源,请付费后查看
1921
付费资源

第1页 / 共7页

第2页 / 共7页

第3页 / 共7页

第4页 / 共7页

第5页 / 共7页

第6页 / 共7页

第7页 / 共7页
已完成全部阅读,共7
THE END
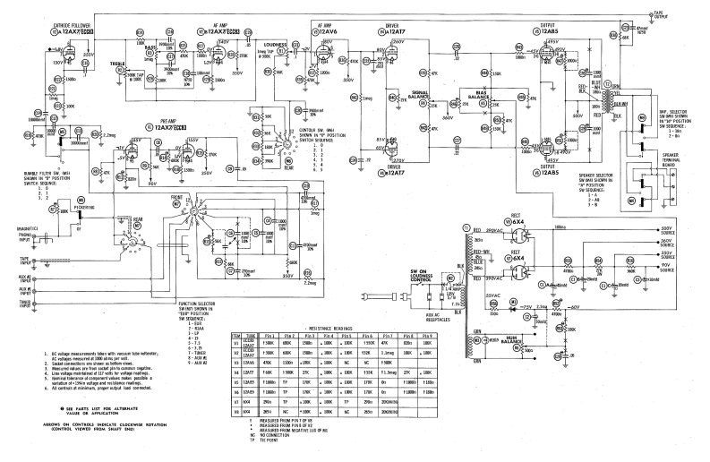
HARMAN-KARDONMODEL A-120 (Melody II)666TYPE SETAC Operated 6 Channel 20 Watt Audio AmplifierTUBES (Eight)Types 12AX7/ECC83 Preamplifier,12AX7/ECC83 Cath.Follower-AF Amp.,12AV6 AF Amplifier,12AT7 Driver,(2)12AB5 Output,(2)6X4 RectifierPOWER SUPPLY105-125 Volts AC-60 CyclesRATING 8 Amp @117 Volts AC (83 Watts)
喜欢就支持一下吧
评论 抢沙发

请登录后发表评论

    请登录后查看评论内容