HarmanKardon-A200-tun-维修说明书手册含电器原理图

HarmanKardon-A200-tun-维修说明书手册含电器原理图-找手册网
HarmanKardon-A200-tun-维修说明书手册含电器原理图
此内容为付费资源,请付费后查看
1921
付费资源

第1页 / 共4页

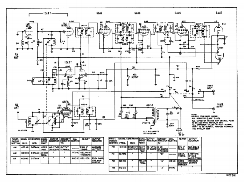
第2页 / 共4页

第3页 / 共4页

第4页 / 共4页
已完成全部阅读,共4
THE END
harmankardonMODEL-A200The GaideHIGH FIDELITY AM-FM TUNEROPER ATIO N AN D S ERV I CE INST RUC T I O NSUNPACKINGAfter unpacking the Guide,inspect it care-FM ANTENNAfully for any signs of damage in transit.YourA short length of ordinary wire,connected tounit was subjected to many inspections and tests,the terminal narked FM vill prove adequate inand then carefully packed.If any damage ismost installations.A loop of wire,approxi-visible,notify the transportation company atmately 36 inches long,connected between "PMonce.and "G and hung inside the cabinet will proveCheck the contents of the package carefully.useful in increasing the rejection of spuriousYou should find:signala.In those situations requiring an ex-1 Tuner,ModeI A-200ternal FM antenna,comnection should be made】Inatruction Bookletbetween "G"and "Fr.A single dipole will be1肠rranty Carduseful when stations to be received are locatedIt is strongly urged that the warranty card bein opposite directions from each other.A non-completed and mailed without delay,to protectdireetional dipole should be used if the sta-your rights under the warranty.If you shouldtions are located in dispersed directions.Arequire repair service or information on the usefolded dipole antenna with reflector will pro-of the Guide,we will be able to identify yourvide naximun efficiency and nay increase theunit immediately,and respond quiekly.number of distant FM stations your A-200 canreceive.CONNECTIONSPOVERAM ANTEKHAPlug the power cord into any outlet furnish-The Harman-Kardon ceramic loopstick,builting 117 volts,60 cycles house current.Theinto the Guide,conprises all the antenna re-exact roltage is relatively unimportant,and myquired for the finest in noise-free local AMvary between 105 and 125.Be sure,however,reception.In locations more removed fron metro-that you have 60 cyele Ac power.For many in-politan area8,an outdoor antenna may be re-stallations,such as with the MELODY Modelquired.This should comsist of a single wire,C100 Amplifier,it will be more convenient,fromas long as is reasonably practical,located awayan operational point of view,to plug the powerfrom large metal obiects,powor lines or elec-cord of the Guide into the convenience outletstrical machinery.Connect one end to the AMprovided on the amplifier chassis.The tunerterminal of the ANTENNA terminal strip on thewill then be turned on or off by the amplifierrear of the chassis.power switch.HARMAN-KARDON INC.520 MAIN STREET,WESTBURY,L.L.,N.Y.
喜欢就支持一下吧
评论 抢沙发

请登录后发表评论

    请登录后查看评论内容