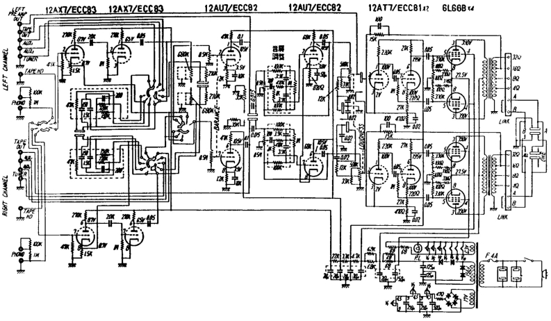
HarmanKardon-A250-int-电气原理图手册找手册网29天前发布关注私信0.83MB1页021HarmanKardon-A250-int-电气原理图手册此内容为付费资源,请付费后查看¥19¥21黄金会员免费钻石会员免费登录购买付费资源 第1页 / 共1页 已完成全部阅读,共1页 THE END哈曼卡顿/飞利浦 文本预览 12AX7/ECC83 12AX7/ECC8312AU7/ECC8212AUT/ECC8212AT7/ECC8126L66B4音w0K4 查看更多 收起部分 喜欢就支持一下吧收藏
请登录后查看评论内容