

第1页 / 共68页

第2页 / 共68页

第3页 / 共68页

第4页 / 共68页

第5页 / 共68页

第6页 / 共68页

第7页 / 共68页

第8页 / 共68页

第9页 / 共68页

第10页 / 共68页
试读已结束,还剩58页,您可下载完整版后进行离线阅读
THE END
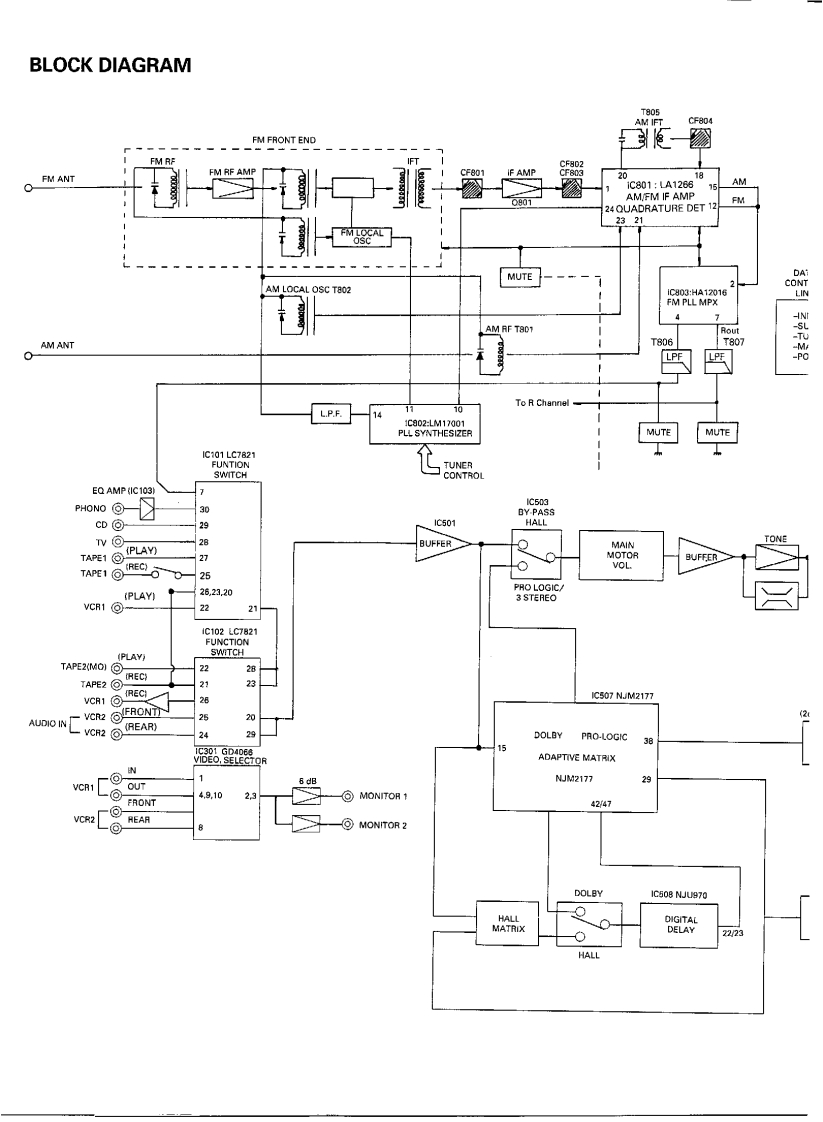
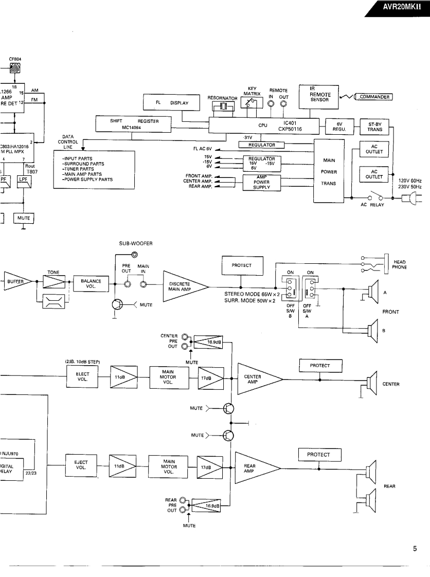
The Harman KardonModel AVR20MKIIAUDIO AND VIDEO RECEIVERTechnical Manualharman/kardon AR 201⑧a⊙0⊙R9:西阳日兰89⊙⊙⊙■CONTENTS■SPECIFICATIONS…2GENERAL UNIT……21LEAKAGE TEST4+4PRINTED CIRCUIT BOARDS…22BLOCK DIAGRAM…5ELECTRICAL PARTS LIST....23CONTROLS AND FUNCTIONS..................6IC FUNCTIONAL BLOCK DIAGRAM28DISASSEMBLY PROCEDURES..............VIRING DIAGRAM…33CIRCUIT DESCRIPTION..........9SCHEMATIC DIAGRAMS (I)....................34ALIGNMENT PROCEDURES............14SCHEMATIC DIAGRAMS (II)…35TROUBLESHOOTING…17SCHEMATIC DIAGRAMS (III)..36GENERAL UNIT PARTS LIST ..................20SCHEMATIC DIAGRAMS (IV)...37harman/kardonParts and Service Office80 Crossways Park West,Woodbury.N.Y.117971112-AVR20MKII G9604 1200 Printed in Korea
请登录后查看评论内容