

第1页 / 共95页

第2页 / 共95页

第3页 / 共95页

第4页 / 共95页

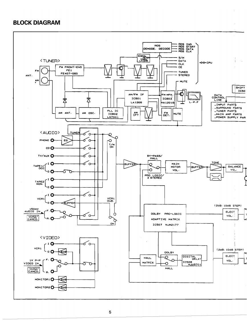
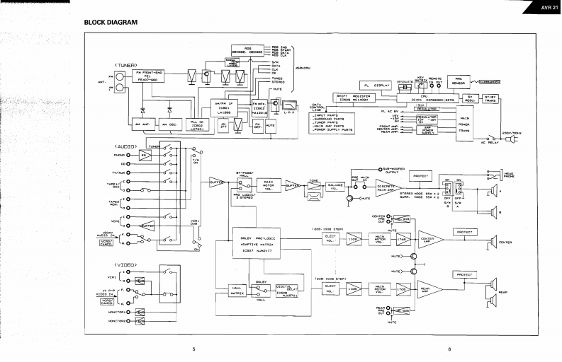
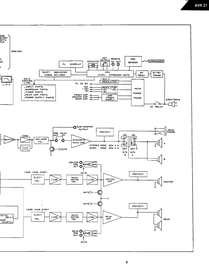
第5页 / 共95页

第6页 / 共95页

第7页 / 共95页

第8页 / 共95页

第9页 / 共95页

第10页 / 共95页
试读已结束,还剩85页,您可下载完整版后进行离线阅读
THE END
The Harman KardonModel AVR21ManualAAUDIO AND VIDEO RECEIVERTechnical Manualharman/kardonAVE210@00⑧2⊙:88丽⊙⊙⊙■CONTENTS■SPECIFICATIONS…2GENERAL UNIT…26LEAKAGE TESTPRINTED CIRCUIT BOARDS…28BLOCK DIAGRAM…5ELECTRICAL PARTS LIST..........34CONTROLS AND FUNCTIONS.SEMICONDUCTOR LEAD IDENTIFICATIONDISASSEMBLY PROCEDURES…10&INTERNAL DIAGRAM…40CIRCUIT DESCRIPTION...........13TRANSISTORS LEAD IDENTIFICATION…46ALIGNMENT PROCEDURES..19PACKAGE…47TROUBLESHO0TING…22WIRING DIAGRAM48GENERAL UNIT PARTS LIST .....................25SCHEMATIC DIAGRAMS (I,II,III,IV,V).......-49harman/kardonParts and Service Office80 Crossways Park West,Woodbury.N.Y.117971112-AVR21A G9603 1200 Printed in Korea
请登录后查看评论内容