

第1页 / 共26页

第2页 / 共26页

第3页 / 共26页

第4页 / 共26页

第5页 / 共26页

第6页 / 共26页

第7页 / 共26页

第8页 / 共26页

第9页 / 共26页

第10页 / 共26页
试读已结束,还剩16页,您可下载完整版后进行离线阅读
THE END
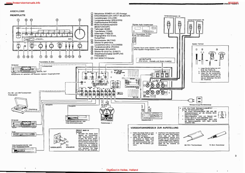
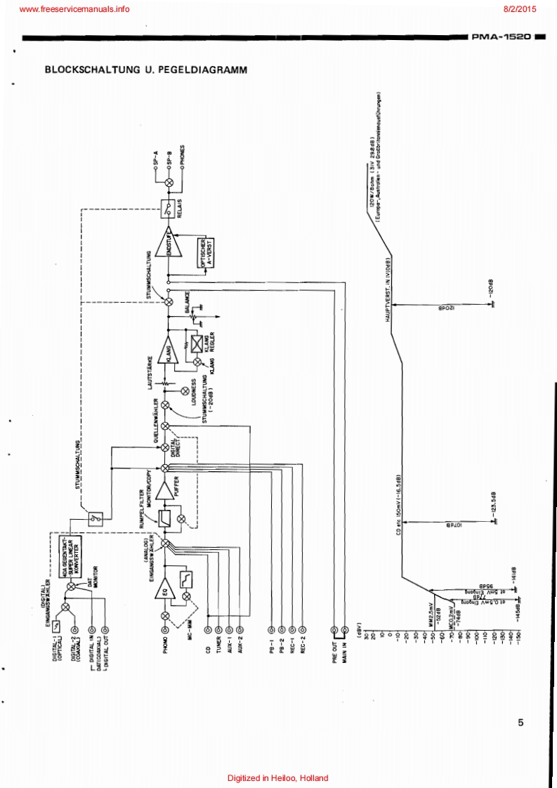
www.freeservicemanuals.info8/2/2015DENONIntegrierter Hi-Fi-StereoverstarkerWARTUNGSANLEITUNGTYP PMA-1520INTEGRIERTER STEREOVERSTARKERINHALTTECHNISCHE DATEN2ANSCHLOSSE3ZERLEGEN4EINSTELLUNG.........BLOCKSCHALTUNG U.PEGELDIAGRAMM,:·,:······5HALBLEITER,,,6~9TEILELISTE DER PLATINE ...............................................10~12PLATINENETZTEIL-UND KLANGREGELBAUGRUPPE KU-9138H(Europa ausfuhrung)..............1NETZTEIL-UND KLANGREGELBAUGRUPPE KU-9141H (Ausfuhrung fur USA und Kanada)....14ENDSTUFENBAUGRUPPE KU-9137H,.,,,,,··15DIGITALE EINGANGSBAUGRUPPE KU-913916EXPLOSIONSZEICHNUNG VON CHASSIS UND GEHAUSE UND TEILELISTE17ZUSATZLISTE,,,,,,,,··17ANSCHLUSSDIAGRAMM.....................................................18SCHALTPLAN (ANALOGTEIL)1SCHALTPLAN (DIGITALTEIL)20NIPPON COLUMBIA CO,LTD.Digitized in Heiloo,Holland
请登录后查看评论内容