

第1页 / 共31页

第2页 / 共31页

第3页 / 共31页

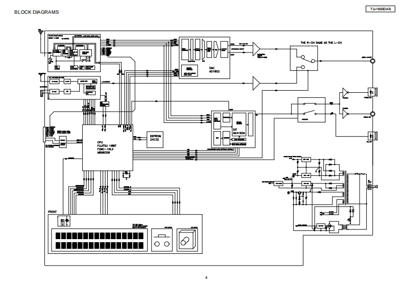
第4页 / 共31页

第5页 / 共31页

第6页 / 共31页

第7页 / 共31页

第8页 / 共31页

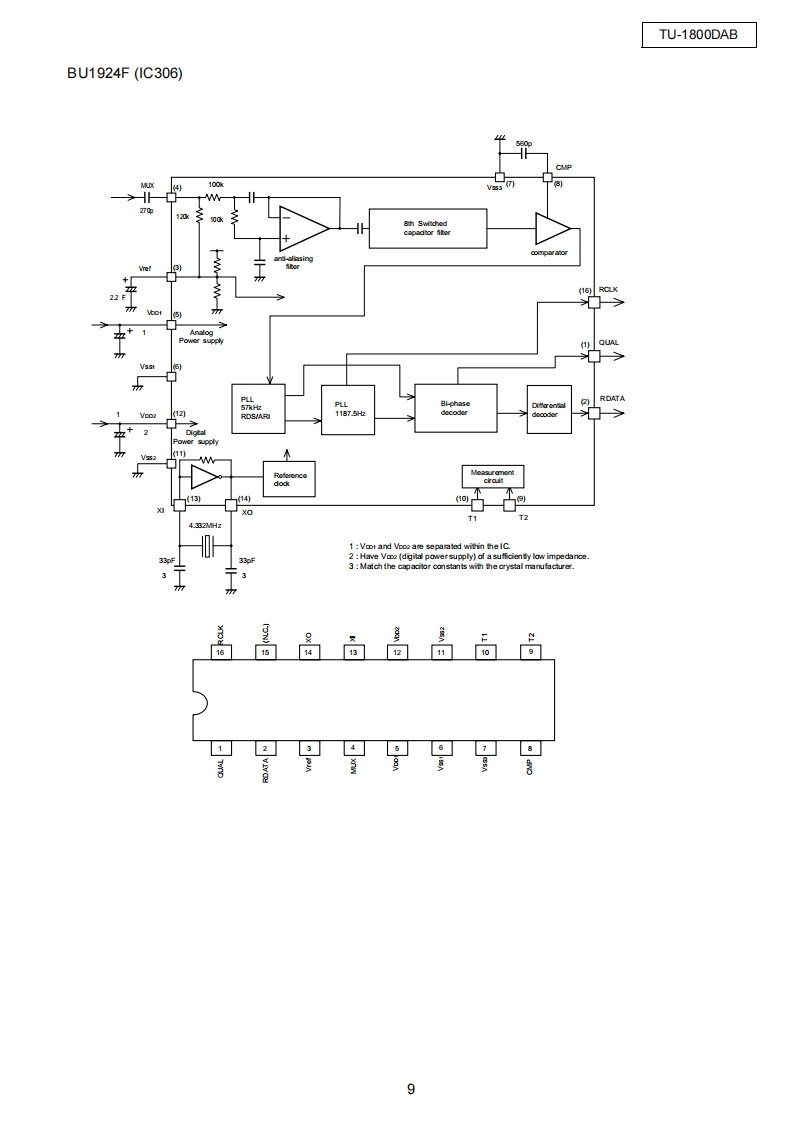
第9页 / 共31页

第10页 / 共31页
试读已结束,还剩21页,您可下载完整版后进行离线阅读
THE END
DENONFor U.K.modelSERVICE MANUALVer.1MODEL TU-1800DABAM-FM STEREO/DAB TUNER注意廿一上又在粘乙在)前忙、乙)廿一七又又二1了儿在必寸方蔬<龙过U。本機休、火災、感電、付存(仁对寸石安全性左確保寸石上忙、古未芒东存配虚苍乙存一乙訪、未左法的体「電氨用品安全法」屯上可老、所定)許可苍得(製造九(右)未寸。徙又力一上又卷右乙春際体、乙九5)安全性雜持老九石女、乙)廿一七又マ二ュ了儿記載志九乙小石注意事項在必寸方守少〈龙这。For purposes of improvement,specifications and●本機)仕横性能改良)龙协、予告在〈变更寸石乙上design are subject to change without notice.小扬李寸。●補修用性能部品)保有期間志、製造打切後8年C寸。Please use this service manual with referring to the●修理)際:、必寸取极脱明苦左参照)上、作業卷行一operating instructions without fail.(〈达。Some illustrations using in this service manual are·本文中忙使用L(石亻与又卜仗、脱明)都合上現物slightly different from the actual set.上多少異在石場合扬)李寸。DENONTOKYO JAPANDenon Brand Company,D&M Holdings Inc.X0237 V.01 DE/CDM 0507
请登录后查看评论内容