

第1页 / 共24页

第2页 / 共24页

第3页 / 共24页

第4页 / 共24页

第5页 / 共24页

第6页 / 共24页

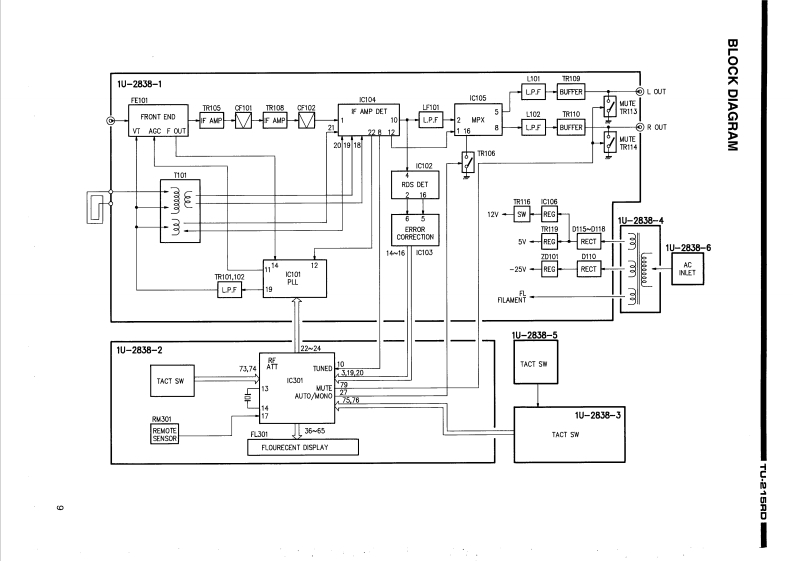
第7页 / 共24页

第8页 / 共24页

第9页 / 共24页

第10页 / 共24页
试读已结束,还剩14页,您可下载完整版后进行离线阅读
THE END
DENONHi-Fi ComponentSERVICE MANUALFor Europe andU.K.ModelsMODEL TU-215RD2-BAND AM-FM STEREO TUNERDENON-TABLE OF CONTENTS-OPERATING INSTRUCTIONS2-6REMOVALOF EACHSECTION.................................................................7,8BLOCKDIAGRAM.......................................................................9METHOD OF ADJUSTMENTS10.11NOTE FOR PARTSLIST...........................................................12PRINTED WIRING BOARD PARTS LIST ......................................................12-14PRINTED WIRING BOARD PATTERNS............................................................15EXPL0 DED VIEW.…PARTS LISTOF EXPLODED VIEW .................................................17PARTS LIST OF PACKING ACCESSORIES.......................................................NIRING DIAGRAM1SCHEMATIC DIAGRAM19SEMICONDUCTORS20.21NIPPON COLUMBIA CO.,LTD.
请登录后查看评论内容