HarmanKardon-HK980-pwr-电气原理图手册

HarmanKardon-HK980-pwr-电气原理图手册-找手册网
HarmanKardon-HK980-pwr-电气原理图手册
此内容为付费资源,请付费后查看
1921
付费资源

第1页 / 共8页

第2页 / 共8页

第3页 / 共8页

第4页 / 共8页

第5页 / 共8页

第6页 / 共8页

第7页 / 共8页

第8页 / 共8页
已完成全部阅读,共8
THE END
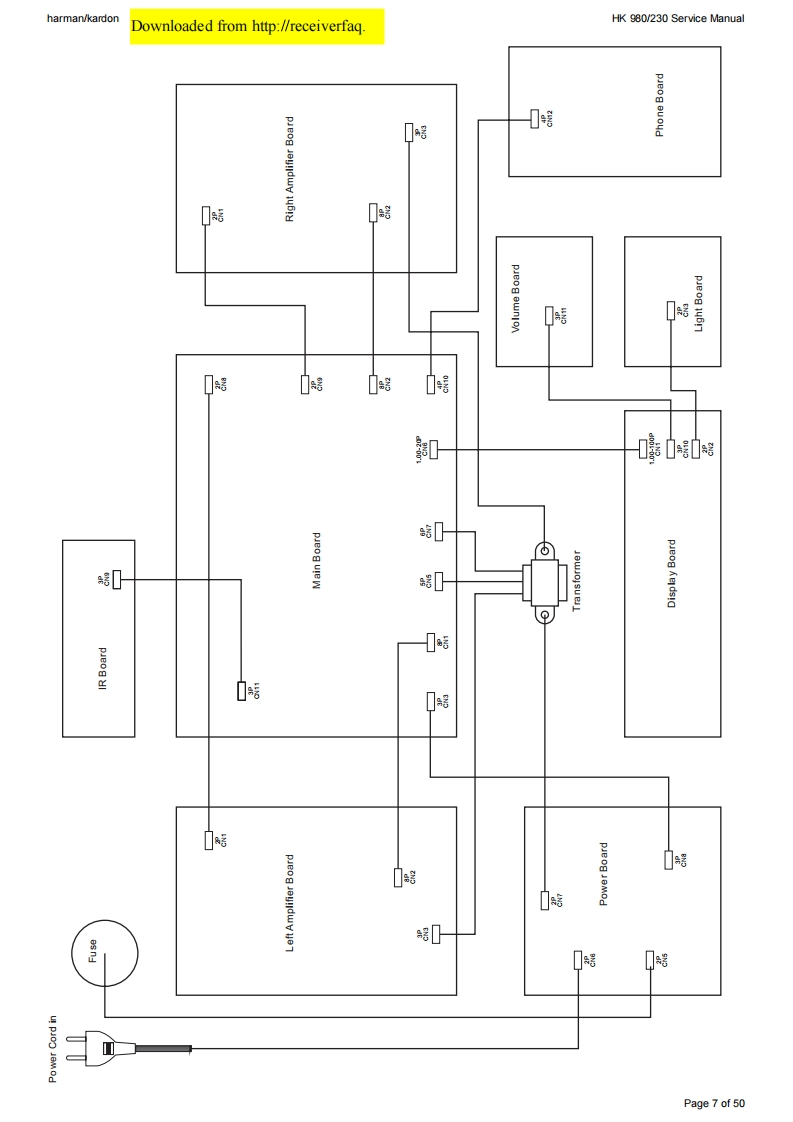
harman/kardonDownloaded from http://receiverfaqHK 980/230 Service Manual1暖pJeog euoud0s0器peog ewnjoO*peog 14617器sD摩031暖0赐Ospjeog JeMod曙略号0Page 7 of 50
喜欢就支持一下吧
评论 抢沙发

请登录后发表评论

    请登录后查看评论内容