HarmanKardon-HK980_230-int-维修说明书手册含电器原理图

HarmanKardon-HK980_230-int-维修说明书手册含电器原理图-找手册网
HarmanKardon-HK980_230-int-维修说明书手册含电器原理图
此内容为付费资源,请付费后查看
1921
付费资源

第1页 / 共50页

第2页 / 共50页

第3页 / 共50页

第4页 / 共50页

第5页 / 共50页

第6页 / 共50页

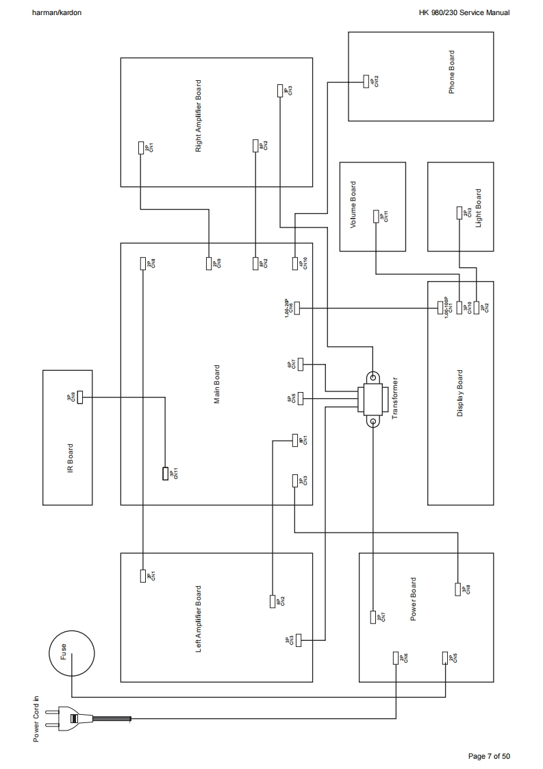
第7页 / 共50页

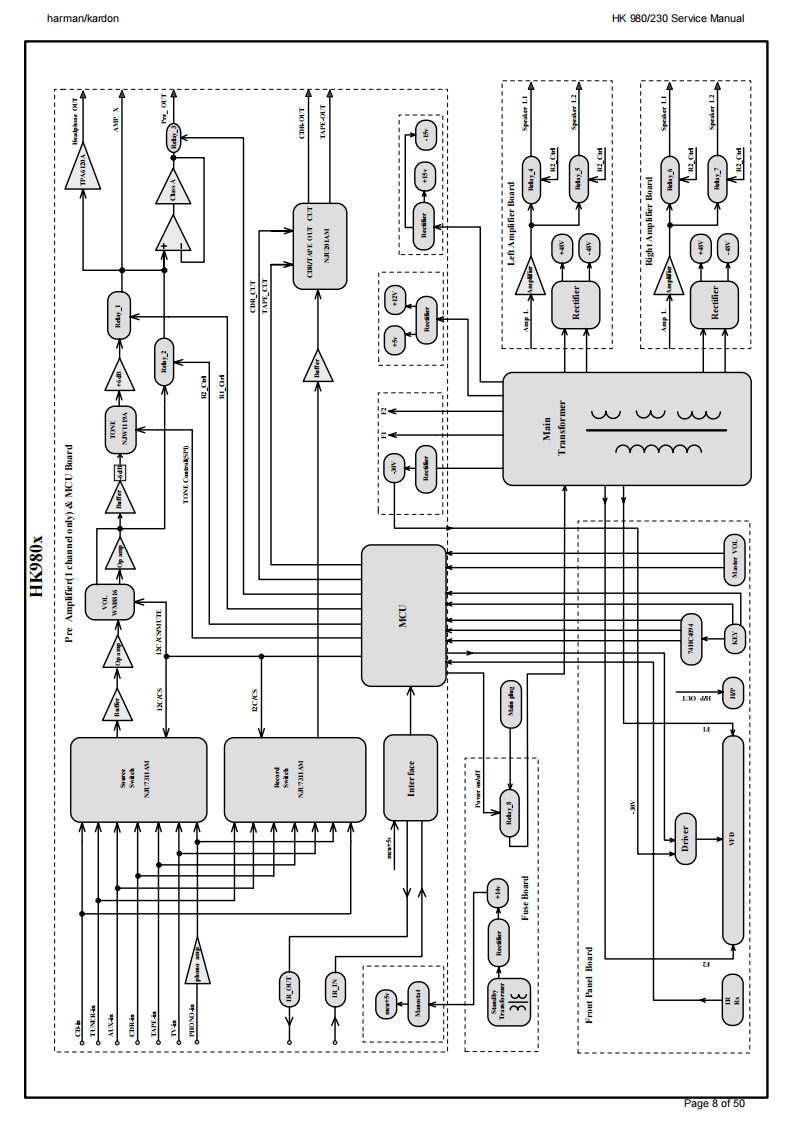
第8页 / 共50页

第9页 / 共50页

第10页 / 共50页
试读已结束,还剩40页,您可下载完整版后进行离线阅读
THE END
harman/kardonHK 980/230 Service Manualharman/kardonService ManualHK980/2302 x 80W STEREO AMPLIFIERK型TV-24dBharman/kardonCONTENTSTECHNICAL SPECIFICATIONSBLOCK DIAGRAM8REAR PANEL CONNECTIONS3SEMICONDUCTOR PINOUTSFRONT PANEL CONTROLS4PCB DRAWINGSREMOTE CONTROL INFORMATION5SCHEMATIC DIAGRAMS9242AMP BIAS ADJUSTMENT6EXPLODED VIEW AND PARTSWIRING DIAGRAM7ELECTRICAL PARTS LIST40Released EU2008harman/kardon,Inc.Rev0,11/2008250 Crossways Park Dr.Woodbury,New York,11797Page 1 of 50
喜欢就支持一下吧
评论 抢沙发

请登录后发表评论

    请登录后查看评论内容