Akai-ATA2-tun-电气原理图手册

Akai-ATA2-tun-电气原理图手册-找手册网
Akai-ATA2-tun-电气原理图手册
此内容为付费资源,请付费后查看
1921
立即购买
您当前未登录!建议登陆后购买,可保存购买订单
付费资源

第1页 / 共6页

第2页 / 共6页

第3页 / 共6页

第4页 / 共6页

第5页 / 共6页

第6页 / 共6页
已完成全部阅读,共6
THE END
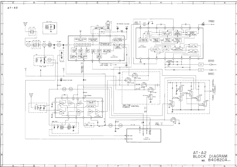
Pin No.SymbolDe实rpeion120T)Coatrol outpal "H"MONO"L"STEREO130T4Control outpat"H"-LW MODE AT-A2L onbyAKAI0T5Comtrol outpat"H"MW MODE AT-AZL anly0T6Conteol output -H"-FM MODE/"L-AM MODE16D02Not used17D02Cantrol output of Tening Voltaee18TESTNot usedAM-INAM OSC Signal Inpet TermitalMODELAT-A2/L20GNDGND21FM-INFM OSC Signal Input Terminal22VDD+5VTC9303Pin.No.SymbolDescription2KOKey Matrix Data InputSCHEMATIC▣IAGRAMK3AN▣PCB▣ARDDO1GDigit Output12D7TG1.SCHEMATIC DIAGRAM OF ICs,.......:I2.AT-A2 NO.840821A SCHEMATIC DLAGRAM..Segment and Dot FLdrive3.CONTROL PC BOARD.POWER SW (1),(2).TUNER PC BOARD....34.CONTROL PC BOARD..POWER SW(2),TUNER PC BOARD.·-·,·420h5.AT-A2LNO.840822 A SCHEMATIC DIAGRAM.,,·-·-·-·-.···521VFL6.AT-A2N0840820ABL0CKD1 IAGRAM,,,,,.,,,,.·..-.-.-.-·622P31FM-AM step Fsequeecy cantrolDinalionFM O5C Frequency controlP3426P21P22..FLD "TUNED"Control (npat ["H"."TUNED)29P2330P12Notu实dTC917131MUTEMute Control"H":Mate-(scaning and cheag of bond)Pin No.SymbolDeseriptlon32TESTNot usodGNDGND33STBStrobe sigsal Terminal2REFReference Frequency/Inpel Terminal from UOCOM (TC9303N)34CKClck signal Termimal3SOSerai Data Output Terminal to UCOM (TC93031N)3590Serial Data Ourput Terminal to PLL (TC9171)4SISerial Data Input Terinal from UCOM (TC.9503N)36SISerial data Input Terminal o PLL (TC9171)5CKClock Signal Terminal37REFReferenee Prequency Output Teminal to PLL(TC9171)6STBStrobe signal Terminal38INTASTPNot used39INH8IF.INAM/FM-IF sigeal Input Teminal (Auto scan stop DET)XT4XTX'tal Terminal9INI100T1Nau架dVDD+5y0T2GNDGND
喜欢就支持一下吧
评论 抢沙发

请登录后发表评论

    请登录后查看评论内容