BOSS_CE-5_维修手册电器原理图

BOSS_CE-5_维修手册电器原理图-找手册网
BOSS_CE-5_维修手册电器原理图
此内容为付费资源,请付费后查看
1921
立即购买
您当前未登录!建议登陆后购买,可保存购买订单
付费资源

第1页 / 共4页

第2页 / 共4页

第3页 / 共4页

第4页 / 共4页
已完成全部阅读,共4
THE END
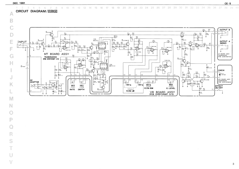
DEC.1991CE-5迈E▣GSC∈-5SERVICE NOTESPANEL/バ木儿☒A=t球小k-LED(RedFirst EditionH470-01-30LN-2TRPC13448711)41502919gPSA Castion-CateG2酒975301》201724明H刀SPECIFICATIONS长作3市Panel●put Imgedance-LEG11F611BK1611-4-:1M2248t250202222488RTm●Output In3adac0一一----=:1钱0PYCK0的71110250CKnet(imomll垂具icunl Noite1 4IC4-4----1-938n时sf-A](FC00m0为:6时trl13240155T)22480位030otFateiral0时8m=075VKnob-2249028000022480221600Vodulate箱Depth.High Plt幅,Law FhertTT图心IT-Jack●Iecicaler-PK0gT11101C08AK097231050Ax2+250C年GTU80-713authe13281T)(13289151t0114-4104)AC (F8A-Soris ootionHLG44-01-004G17449150四221878阳TD●0 memians-4*==11a4t444444一:T0W04120450H0m2-34500x4-15/160×2-5/18·GH0t5E▣SSF6达Bsn220085100:PNe2604776T22450四048000Pnm几asPN5204T72235030580Drv S-008P (9V)Banoe Caution:ACA白tEw:PA-1C0P阿A.12QP5A-220P5A-24047230502Dry Bymery GA15/BY CalkalineEXPLODED VIEW/分解☒Foat laweCHECKSwtch-2235030400.M-0404HATE11203 x 10nn42270100a3x6×Q5(×2221701092083×10 nm Bindsp Machina FaScx2←OUTPUTON INPUT←221500201UOUTPUT BChorusBattery Cerrwetst224174101)∈nsembleCE-5muaton Soaoir221080803 k Emm Pan Tapping B1 Tedc(x4)-22023051090Bomon Base2453U5022230四05000Roland17059623Printe in Japan BAEO (DP)1
喜欢就支持一下吧
评论 抢沙发

请登录后发表评论

    请登录后查看评论内容